产品数据表
1102 B型系列
  牵引NBR轮(铣原) 轮径 × 轮宽 100 x 37mm
  EAN
      KS-11020400041121
         
固定式脚轮,焊接钢板架
表面喷蓝漆,底板式安装装置,孔距90x60
铸铁制轮芯,高品质高弹性橡胶轮面,铣原色
轮子轴承—精密滚珠,配特制防缠绕轮盖
  轮面:高品质高弹性橡胶制成
  轮芯:铁芯/铸铁芯

    产品说明仅供参考一切以实体产品为主



     
      公制 英制
  轮径 100mm 
  轮宽 37mm 
  轮子轴承 搭配滚珠轴承的轮子 
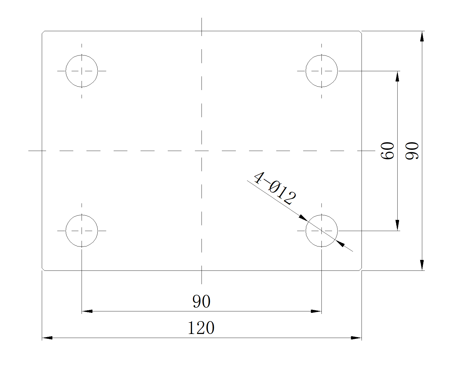
  底板规格 120 x 90mm 
  底板孔距 90 x 60mm   
  底板孔径 12mm 
  总高 147mm 
  硬度 85±5° Shore A 
  荷重(动态) 200kgs 


  滚动顺畅
      ● ● ● ○ ○

  静音表现      ● ● ● ● ○

  保护地板      ● ● ● ● ○

  荷重(静态) 300kgs 
  温度 -20°C to +80°C 
  脚架样式 固定 
  不锈钢
  导电 否 
  抗静电 否 
  脚轮重量 2.24kgs 
  测试标准 ISO22883
  
  
  © 版权所有 2025 得貹上好轮 www.dersheng.com


            關  聯  產  品



  1102 B型系列
   牵引NBR轮(铣原) 轮径 × 轮宽 100 x 37mm

     KS-11020400041081
       

         100 mm         200 Kgs         147 mm    

固定式脚轮,焊接钢板架
表面喷蓝漆,底板式安装装置,孔距90x60
铸铁制轮芯,高品质高弹性橡胶轮面,铣原色
轮子轴承—精密滚珠,配特制防缠绕轮盖




  1102 B型系列
   牵引NBR轮(铣原) 轮径 × 轮宽 100 x 37mm

     KS-11020400042071
       

         100 mm         200 Kgs         147 mm    

活动式脚轮,焊接钢板架—孔距90x60
表面喷蓝漆,底板式安装装置
铸铁制轮芯,高品质高弹性橡胶轮面
铣原色,轮子轴承—精密滚珠




  1102 B型系列
   牵引NBR轮(铣原) 轮径 × 轮宽 100 x 37mm

     KS-11020400042081
       

         100 mm         200 Kgs         147 mm    

活动式脚轮,焊接钢板架—孔距90x60
表面喷蓝漆,底板式安装装置
铸铁制轮芯,高品质高弹性橡胶轮面,铣原色
轮子轴承—精密滚珠,配特制防缠绕轮盖




  1102 B型系列
   牵引NBR轮(铣原) 轮径 × 轮宽 100 x 37mm

     KS-11020400041071
       

         100 mm         200 Kgs         147 mm    

固定式脚轮,焊接钢板架
表面喷蓝漆,底板式安装装置,孔距90x60
铸铁制轮芯,高品质高弹性橡胶轮面,铣原色
轮子轴承—精密滚珠




  1102 B型系列
   牵引NBR轮(铣原) 轮径 × 轮宽 100 x 37mm

     KS-11020400044161
       

         100 mm         200 Kgs         147 mm    

配有前煞式,锁定系统的脚轮,焊接钢板架
表面喷蓝漆,底板式安装装置,孔距90x60
铸铁制轮芯,高品质高弹性橡胶轮面,铣原色
轮子轴承—精密滚珠,配特制防缠绕轮盖