产品数据表
1102 B型系列
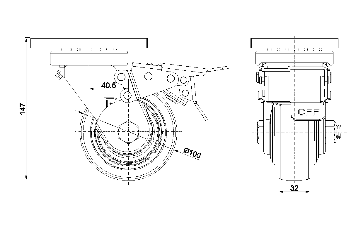
  CPD轮 轮径 × 轮宽 100 x 32mm
  EAN
      KS-11020400294071A
         
配有前煞式,锁定系统的脚轮,焊接钢板架
表面喷蓝漆,底板式安装装置,孔距90x60
聚丙烯轮芯、轮面,本色
轮子轴承—精密滚珠,配特制防缠绕轮盖
  轮面:PP聚丙烯
  轮芯:PP聚丙烯

    产品说明仅供参考一切以实体产品为主



     
      公制 英制
  轮径 100mm 
  轮宽 32mm 
  轮子轴承 搭配滚珠轴承的轮子 
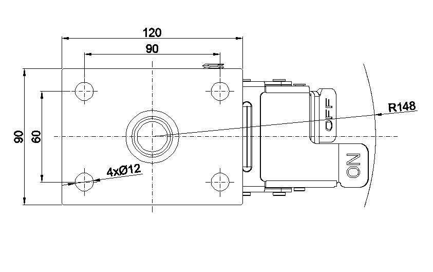
  底板规格 120 x 90mm 
  底板孔距 90X60mm   
  底板孔径 12mm 
  偏心距 40.5mm 
  旋转干涉 296mm 
  总高 147mm 
  旋转半径 148mm 
  硬度 72±5° Shore D 
  荷重(动态) 200kgs 


  滚动顺畅
      ● ● ● ● ●

  静音表现      ● ● ● ○ ○

  保护地板      ● ● ● ○ ○

  荷重(静态) 300kgs 
  温度 -12°C to +60°C 
  脚架样式 前煞
  不锈钢
  导电 否 
  抗静电 否 
  脚轮重量 2.56kgs 
  测试标准 ISO22883
  
  
  © 版权所有 2025 得貹上好轮 www.dersheng.com


            關  聯  產  品



  1102 B型系列
   CPD轮 轮径 × 轮宽 100 x 32mm

     KS-11020400294031
       

         100 mm         200 Kgs         147 mm    

配有后煞式,锁定系统的脚轮,焊接钢板架
表面喷蓝漆,底板式安装装置,孔距90x60
聚丙烯轮芯、轮面,本色
轮子轴承—精密滚珠。




  1102 B型系列
   CPD轮 轮径 × 轮宽 100 x 32mm

     KS-11020400292011
       

         100 mm         200 Kgs         147 mm    

活动式脚轮,焊接钢板架
表面喷蓝漆,底板式安装装置,孔距90x60
聚丙烯轮芯、轮面,本色
轮子轴承—精密滚珠。




  1102 B型系列
   CPD轮 轮径 × 轮宽 100 x 32mm

     KS-11020400292021
       

         100 mm         200 Kgs         147 mm    

活动式脚轮,焊接钢板架
表面喷蓝漆,底板式安装装置,孔距90x60
聚丙烯轮芯、轮面,本色
轮子轴承—精密滚珠,配特制防缠绕轮盖




  1102 B型系列
   CPD轮 轮径 × 轮宽 100 x 32mm

     KS-11020400294011
       

         100 mm         200 Kgs         147 mm    

配有前煞式,锁定系统的脚轮,焊接钢板架
表面喷蓝漆,底板式安装装置,孔距90x60
聚丙烯轮芯、轮面,本色
轮子轴承—精密滚珠