产品数据表
1102 B型系列
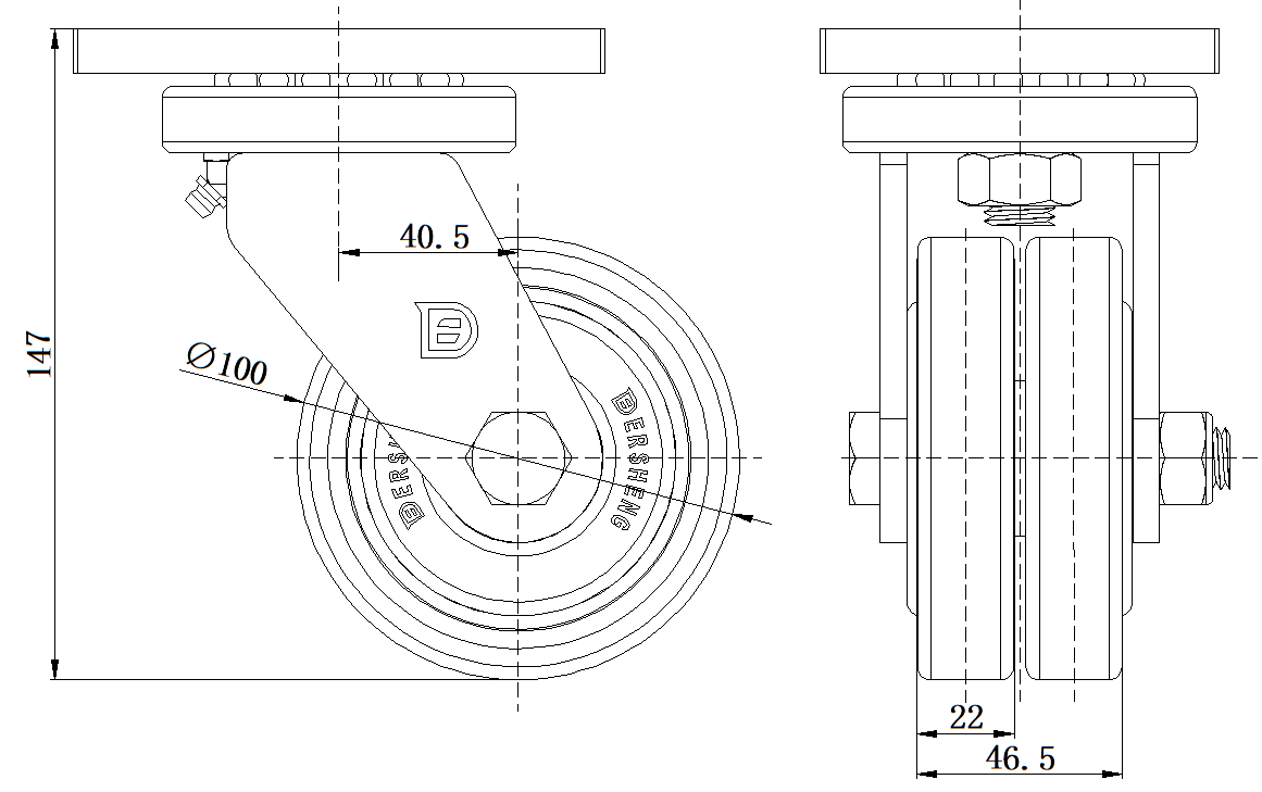
  ZQPU轮(褐弧)轮径×轮宽 100 x 22(46.5)mm
  EAN
      KS-11020400802021
         
活动式脚轮,焊接钢板架—孔距90x60
表面喷蓝漆,底板式安装装置
铸铁制轮芯,高质量聚氨酯轮面,铣褐色
轮子轴承—特征的精密滚珠,降低运行阻力
ZQPU双轮,符合人体工程学,更容启动及转动
  轮面:高品质聚氨酯制成
  轮芯:铁芯/铸铁芯

    产品说明仅供参考一切以实体产品为主



     
      公制 英制
  轮径 100mm 
  轮宽 22mm 
  轮子轴承 搭配滚珠轴承的轮子 
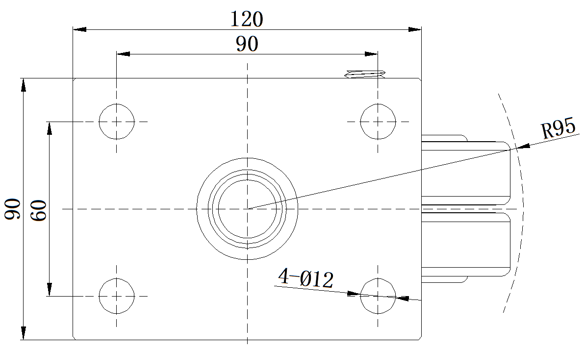
  底板规格 120 x 90mm 
  底板孔距 90 x 60mm   
  底板孔径 12 x 12mm 
  偏心距 40.5mm 
  旋转干涉 190mm 
  总高 147mm 
  旋转半径 95mm 
  硬度 92±5° Shore A 
  荷重(动态) 335kgs 


  滚动顺畅
      ● ● ● ● ●

  静音表现      ● ● ● ● ●

  保护地板      ● ● ● ● ●

  荷重(静态) 503kgs 
  温度 -20°C to +70°C 
  脚架样式 活动 
  不锈钢
  导电 否 
  抗静电 否 
  脚轮重量 3.33kgs 
  测试标准 ISO22883
  
  
  © 版权所有 2025 得貹上好轮 www.dersheng.com


            關  聯  產  品



  1102 B型系列
   ZQPU 轮 (褐弧) 轮径 × 轮宽 100×22 (46.5) mm

     KS-11020400801021
       

         100 mm         335 Kgs         147 mm    

活动式脚轮,焊接钢板架—孔距110x75
表面喷蓝漆,底板式安装装置
铸铁制轮芯,高品质聚氨酯轮面,铣褐色
轮子轴承—特制的精密滚珠,降低运转阻力
ZQPU双轮,符合人体工程学,更容易启动及转动




  1102 B型系列
   ZQPU 轮 (褐弧) 轮径 × 轮宽 100×22 (46.5) mm

     KS-11020400804071
       

         100 mm         335 Kgs         147 mm    

配有前煞式,锁定系统的脚轮,焊接钢板架
表面喷蓝漆,底板式安装装置—孔距90x60
铸铁制轮芯,高质量聚氨酯轮面,铣褐色
轮子轴承—特征的精密滚珠,降低运行阻力
ZQPU双轮,符合人体工程学,更容启动及转动