产品数据表
1102 B型系列
  MRC轮 (透明) 轮径 × 轮宽 150 x 40mm
  EAN
      KS-11020600071021
         
固定式脚轮,焊接钢板架
表面喷蓝漆,底板式安装装置,孔距110x75
热可塑性塑料轮芯、轮面,本色
轮子轴承—精密滚珠,配特制防缠绕轮盖
  轮面:热塑性塑料(PA6)
  轮芯:热塑性塑料(PA6)

    产品说明仅供参考一切以实体产品为主



     
      公制 英制
  轮径 150mm 
  轮宽 40mm 
  轮子轴承 搭配滚珠轴承的轮子 
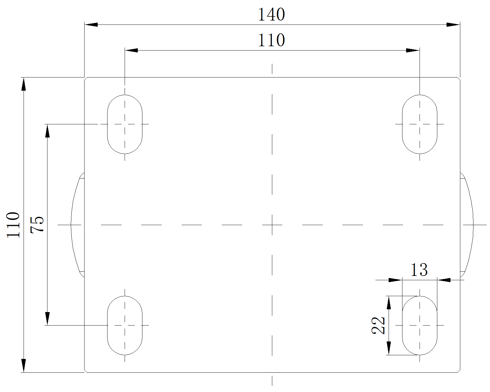
  底板规格 140 x 110mm 
  底板孔距 110x75mm   
  底板孔径 22 x 13mm 
  总高 197mm 
  硬度 75±5° Shore D 
  荷重(动态) 400kgs 


  滚动顺畅
      ● ● ● ● ●

  静音表现      ● ● ○ ○ ○

  保护地板      ● ● ○ ○ ○

  荷重(静态) 600kgs 
  温度 -20°C to +80°C 
  脚架样式 固定 
  不锈钢
  导电 否 
  抗静电 否 
  脚轮重量 3.59kgs 
  测试标准 ISO22883
  
  
  © 版权所有 2025 得貹上好轮 www.dersheng.com


            關  聯  產  品



  1102 B型系列
   MRC轮 (透明) 轮径 × 轮宽 150 x 40mm

     KS-11020600072011
       

         150 mm         400 Kgs         197 mm    

活动式脚轮,焊接钢板架
表面喷蓝漆,底板式安装装置,孔距110x75
热可塑性塑料轮芯、轮面,本色
轮子轴承—精密滚珠




  1102 B型系列
   MRC轮 (透明) 轮径 × 轮宽 150 x 40mm

     KS-11020600072021
       

         150 mm         400 Kgs         197 mm    

活动式脚轮,焊接钢板架
表面喷蓝漆,底板式安装装置,孔距110x75
热可塑性塑料轮芯、轮面,本色
轮子轴承—精密滚珠,配特制防缠绕轮盖




  1102 B型系列
   MRC轮 (透明) 轮径 × 轮宽 150 x 40mm

     KS-11020600071011
       

         150 mm         400 Kgs         197 mm    

固定式脚轮,焊接钢板架
表面喷蓝漆,底板式安装装置,孔距110x75
热可塑性塑料轮芯、轮面,本色
轮子轴承—精密滚珠




  1102 B型系列
   MRC轮 (透明) 轮径 × 轮宽 150 x 40mm

     KS-11020600074021
       

         150 mm         400 Kgs         197 mm    

配有后煞式,锁定系统的脚轮,焊接钢板架
表面喷蓝漆,底板式安装装置,孔距110x75
热可塑性塑料轮芯、轮面,本色
轮子轴承—精密滚珠,配特制防缠绕轮盖




  1102 B型系列
   MRC轮 (透明) 轮径 × 轮宽 150 x 40mm

     KS-11020600074011
       

         150 mm         400 Kgs         197 mm    

配有后煞式,锁定系统的脚轮,焊接钢板架
表面喷蓝漆,底板式安装装置,孔距110x75
热可塑性塑料轮芯、轮面,本色
轮子轴承—精密滚珠