产品数据表
1102 B型系列
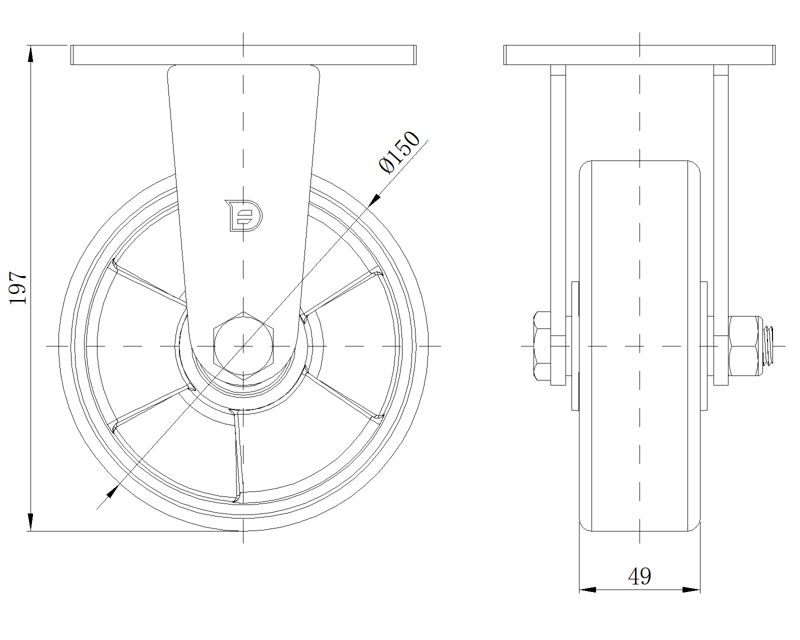
  WPU轮(红平)轮径×轮宽 150×49mm
  EAN
      KS-11020600331071
         
固定式脚轮,焊接钢板架
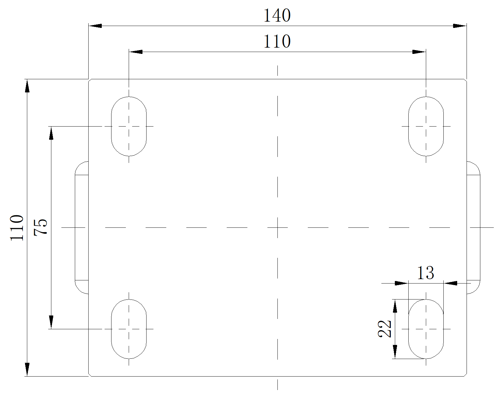
表面喷蓝漆,底板式安装装置,孔距110x75
铸铁制轮芯,高品质聚氨酯轮面,铣红色
轮子轴承—精密滚珠
  轮面:高品质聚氨酯制成
  轮芯:铁芯/铸铁芯

    产品说明仅供参考一切以实体产品为主



     
      公制 英制
  轮径 150mm 
  轮宽 49mm 
  轮子轴承 搭配滚珠轴承的轮子 
  底板规格 140 x 110mm 
  底板孔距 110x75mm   
  底板孔径 22 x 13mm 
  总高 197mm 
  硬度 93±5° Shore A 
  荷重(动态) 450kgs 


  滚动顺畅
      ● ● ● ○ ○

  静音表现      ● ● ● ● ○

  保护地板      ● ● ● ● ○

  荷重(静态) 675kgs 
  温度 -20°C to +70°C 
  脚架样式 固定 
  不锈钢
  导电 否 
  抗静电 否 
  脚轮重量 3.83kgs 
  测试标准 ISO22883
  
  
  © 版权所有 2025 得貹上好轮 www.dersheng.com


            關  聯  產  品



  1102 B型系列
   WPU轮(红平)轮径×轮宽 150×49mm

     KS-11020600332071
       

         150 mm         450 Kgs         197 mm    

活动式脚轮,焊接钢板架
表面喷蓝漆,底板式安装装置,孔距110x75
铸铁制轮芯,高质量聚氨酯轮面,铣红色
轮子轴承—精密滚珠。




  1102 B型系列
   WPU轮(红平)轮径×轮宽 150×49mm

     KS-11020600334171
       

         150 mm         450 Kgs         197 mm    

配有前煞式,锁定系统的脚轮,焊接钢板架
表面喷蓝漆,底板式安装装置,孔距110x75
铸铁制轮芯,高质量聚氨酯轮面,铣红色
轮子轴承—精密滚珠