产品数据表
1102 B型系列
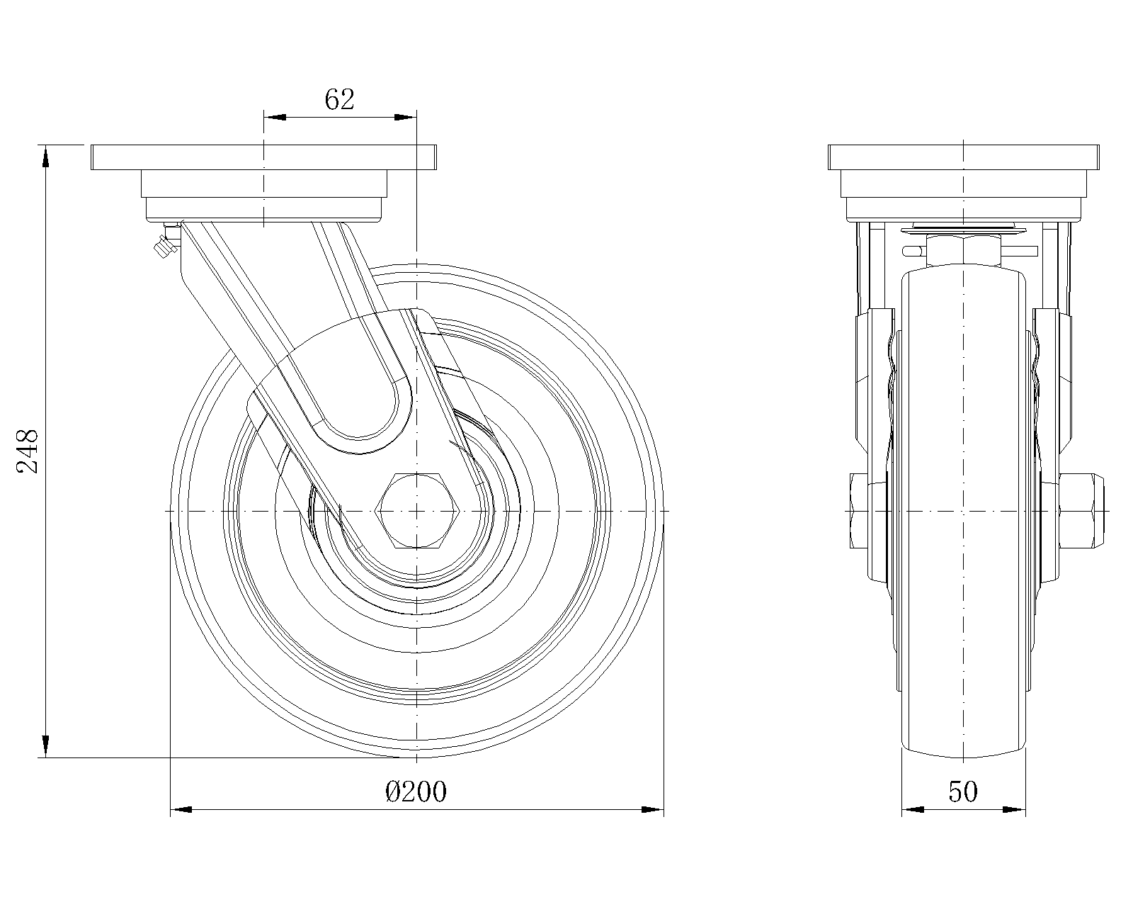
  CPD轮 轮径×轮宽 200 x 50mm
  EAN
      KS-11020800292021
         
活动式脚轮,焊接钢板架,表面蓝漆
底板式安装装置,孔距110x75
聚丙烯轮芯、轮面,本色
轮子轴承—精密滚珠,配特制防缠绕轮盖
  轮面:PP聚丙烯
  轮芯:PP聚丙烯

    产品说明仅供参考一切以实体产品为主



     
      公制 英制
  轮径 200mm 
  轮宽 50mm 
  轮子轴承 搭配滚珠轴承的轮子 
  底板规格 140 x 110mm 
  底板孔距 110x75mm   
  底板孔径 22 x 13mm 
  偏心距 62mm 
  旋转干涉 328mm 
  总高 248mm 
  旋转半径 164mm 
  硬度 72±5° Shore D 
  荷重(动态) 400kgs 


  滚动顺畅
      ● ● ● ● ●

  静音表现      ● ● ● ○ ○

  保护地板      ● ● ● ○ ○

  荷重(静态) 600kgs 
  温度 -12°C to +60°C 
  脚架样式 活动 
  不锈钢
  导电 否 
  抗静电 否 
  脚轮重量 4.55kgs 
  测试标准 ISO22883
  
  
  © 版权所有 2025 得貹上好轮 www.dersheng.com


            關  聯  產  品



  1102 B型系列
   CPD轮 轮径×轮宽 200 x 50mm

     KS-11020800291011
       

         200 mm         400 Kgs         248 mm    

固定式脚轮,焊接钢板架,表面喷蓝漆
底板式安装装置,孔距110x75
聚丙烯轮芯、轮面本色
轮子轴承—精密滚珠




  1102 B型系列
   CPD轮 轮径×轮宽 200 x 50mm

     KS-11020800294061
       

         200 mm         400 Kgs         248 mm    


配有前煞式,锁定系统的脚轮,焊接钢板架
表面蓝漆,底板式安装装置,孔距110x75
热可塑性塑料轮芯、轮面本色
轮子轴承—精密滚珠




  1102 B型系列
   CPD轮 轮径×轮宽 200 x 50mm

     KS-11020800294071
       

         200 mm         400 Kgs         248 mm    


配有前煞式,锁定系统的脚轮,焊接钢板架
表面蓝漆,底板式安装装置,孔距110x75
热可塑性塑料轮芯、轮面本色
轮子轴承—精密滚珠,配特制防缠绕轮盖




  1102 B型系列
   CPD轮 轮径×轮宽 200 x 50mm

     KS-11020800292011
       

         200 mm         400 Kgs         248 mm    

活动式脚轮,焊接钢板架,表面蓝漆
底板式安装装置,孔距110x75
聚丙烯轮芯、轮面,本色
轮子轴承—精密滚珠




  1102 B型系列
   CPD轮 轮径×轮宽 200 x 50mm

     KS-11020800291021
       

         200 mm         400 Kgs         248 mm    

固定式脚轮,焊接钢板架,表面喷蓝漆
底板式安装装置,孔距110x75
聚丙烯轮芯、轮面本色
轮子轴承—精密滚珠,配特制防缠绕轮盖