产品数据表
1102 B型系列
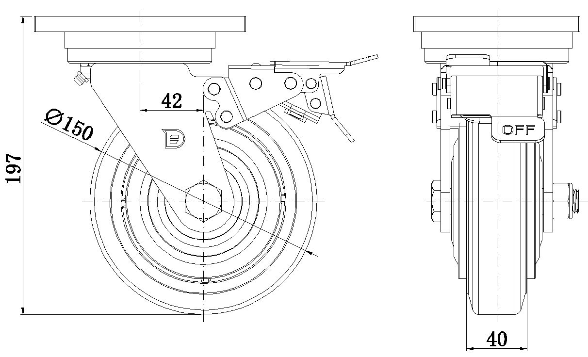
  NBR轮(铣黑)轮径×轮宽 150 x 40mm
  EAN
      KS-11020600044061
         
配有前煞式,锁定系统的脚轮,焊接钢板架
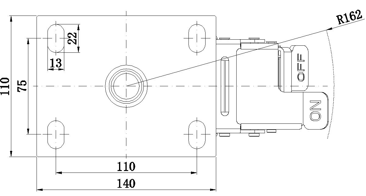
表面喷蓝漆,底板式安装装置,孔距110x75
铸铁制轮芯,高品质高弹性橡胶轮面,铣黑色
轮子轴承—精密滚珠
  轮面:高品质高弹性橡胶轮面
  轮芯:铁芯/铸铁芯

    产品说明仅供参考一切以实体产品为主



     
      公制 英制
  轮径 150mm 
  轮宽 40mm 
  轮子轴承 搭配滚珠轴承的轮子 
  底板规格 140 x 110mm 
  底板孔距 110x75mm   
  底板孔径 22 x 13mm 
  偏心距 42mm 
  旋转干涉 324mm 
  总高 197mm 
  旋转半径 162mm 
  硬度 85±5° Shore A 
  荷重(动态) 350kgs 


  滚动顺畅
      ● ● ● ○ ○

  静音表现      ● ● ● ● ○

  保护地板      ● ● ● ● ○

  荷重(静态) 525kgs 
  温度 -20°C to +80°C 
  脚架样式 前煞
  不锈钢
  导电 否 
  抗静电 否 
  脚轮重量 4.91kgs 
  测试标准 ISO22883
  
  
  © 版权所有 2025 得貹上好轮 www.dersheng.com


            關  聯  產  品



  1102 B型系列
   NBR轮(铣黑)轮径×轮宽 150 x 40mm

     KS-11020600041021
       

         150 mm         350 Kgs         197 mm    

固定式脚轮,焊接钢板架—孔距110x75
表面喷蓝漆,底板式安装装置,配特制防缠绕轮盖
铸铁制轮芯,高质量高弹性橡胶轮面
铣黑色,轮子轴承—精密滚珠




  1102 B型系列
   NBR轮(铣黑)轮径×轮宽 150 x 40mm

     KS-11020600041011
       

         150 mm         350 Kgs         197 mm    

固定式脚轮,焊接钢板架—孔距110x75
表面喷蓝漆,底板式安装装置
铸铁制轮芯,高质量高弹性橡胶轮面
铣黑色,轮子轴承—精密滚珠




  1102 B型系列
   NBR轮(铣黑)轮径×轮宽 150 x 40mm

     KS-11020600044021
       

         150 mm         350 Kgs         197 mm    

配有后煞式,锁定系统的脚轮,焊接钢板架
表面喷蓝漆,底板式安装装置,孔距110x75
铸铁制轮芯,高品质高弹性橡胶轮面,铣黑色
轮子轴承—精密滚珠,配特制防缠绕轮盖




  1102 B型系列
   NBR轮(铣黑)轮径×轮宽 150 x 40mm

     KS-11020600044011
       

         150 mm         350 Kgs         197 mm    

配有后煞式,锁定系统的脚轮,焊接钢板架
表面喷蓝漆,底板式安装装置,孔距110x75
铸铁制轮芯,高品质高弹性橡胶轮面,铣黑色
轮子轴承—精密滚珠




  1102 B型系列
   NBR轮(铣黑)轮径×轮宽 150 x 40mm

     KS-11020600042021
       

         150 mm         350 Kgs         197 mm    

活动式脚轮,焊接钢板架
表面喷蓝漆,底板式安装装置,孔距110x75
铸铁制轮芯,高品质高弹性橡胶轮面,铣黑色
轮子轴承—精密滚珠,配特制防缠绕轮盖