Product Data Sheet
1102 B Type Caster Series
  QPU (brown flat) Wheel Diameter x Wheel Width 150 x 42mm
  EAN
      KS-11020600531061
         
Rigid Caster with Welded Caster Fork Blue-painted finish, Mounting Type - Top Plate, 110x75 Bolt Hole Spacing Cast Iron Wheel Center with High Quality Polyurethane tread, Cast Iron brown Bearing—Ball Bearing with special anti-wrap caps
  Wheel Tread: Made of high-quality polyurethane
  Wheel center: iron core/cast iron

    Drawings are for reference only and may differ from the product



     
      Metric Imperial
  Wheel Diameter 150mm 

  Wheel Width 42mm 
  Wheel Bearing Wheels With Ball Bearings
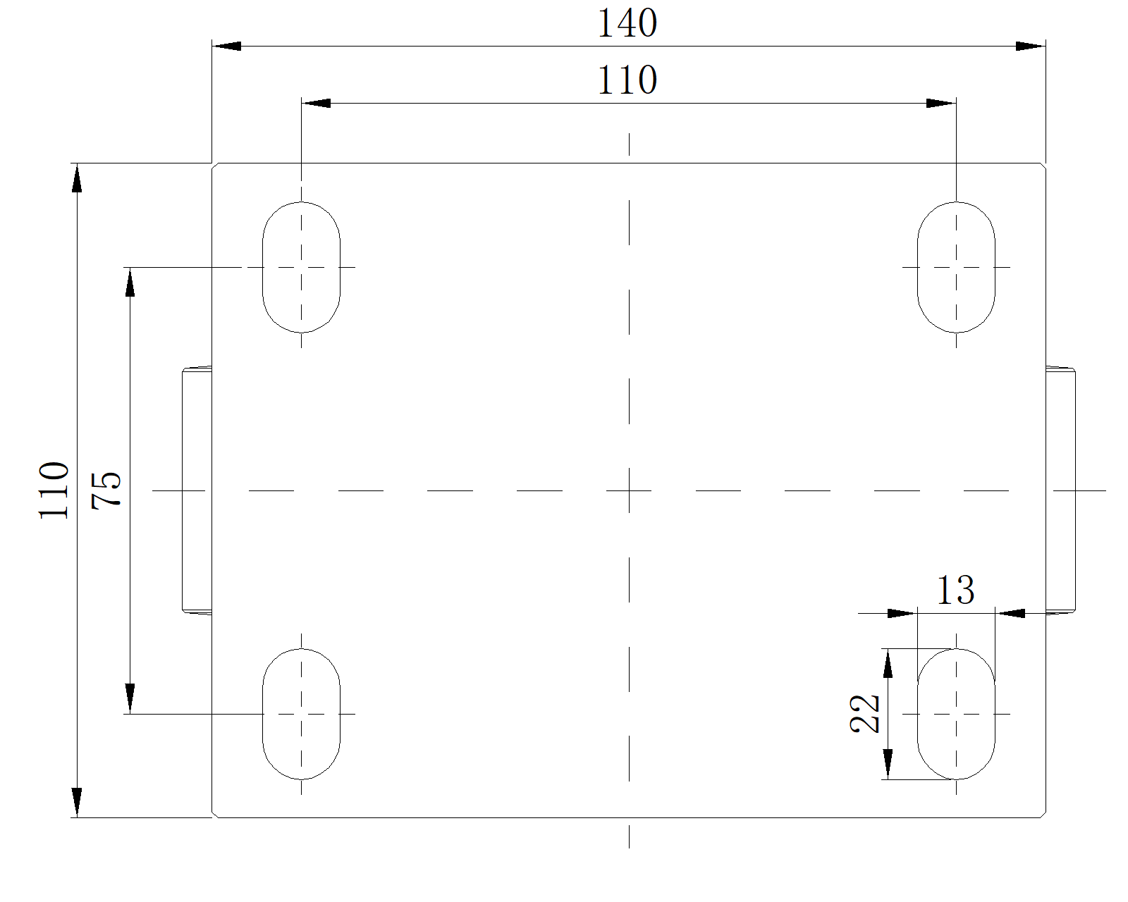
  Plate Size 140 x 110mm 
  Bolt Hole Spacing 110x75mm 
  Plate Hole 22 x 13mm 
  Overall Height 197mm 
  Hardness Of Tread 92±5° Shore A 
  Load Capacity (Dynamic) 600kgs 


  Rolling Resistance
        ● ● ● ● ●

  Operating Noise        ● ● ● ● ●

  Floor Surface Preservation  ● ● ● ● ●

  Load Capacity (Static) 900kgs 
  Temperature -20°C to +70°C 
  Fork Type Rigid Caster 
  Stainless N/A
  Electrical Conductivity N/A 
  Anti-Static N/A 
  Weight 3.57kgs 
  Standard ISO22883
  
  
  © Copyright 2026 DershengInternational www.dersheng.com
Related  Products  
1102 B Type Caster Series
QPU (brown flat) Wheel Diameter x Wheel Width 150 x 42mm
KS-11020600534021
150 mm 600 Kgs 197 mm
Casters with Front Brake locking system, Welded Caster Fork Blue-painted finish, Mounting Type - Top Plate, 110x75 Bolt Hole Spacing Cast Iron Wheel Center, High Quality Polyurethane tread, Cast Iron brown Bearing—Ball Bearing