|   | 产品数据表 |   |   |   | ||
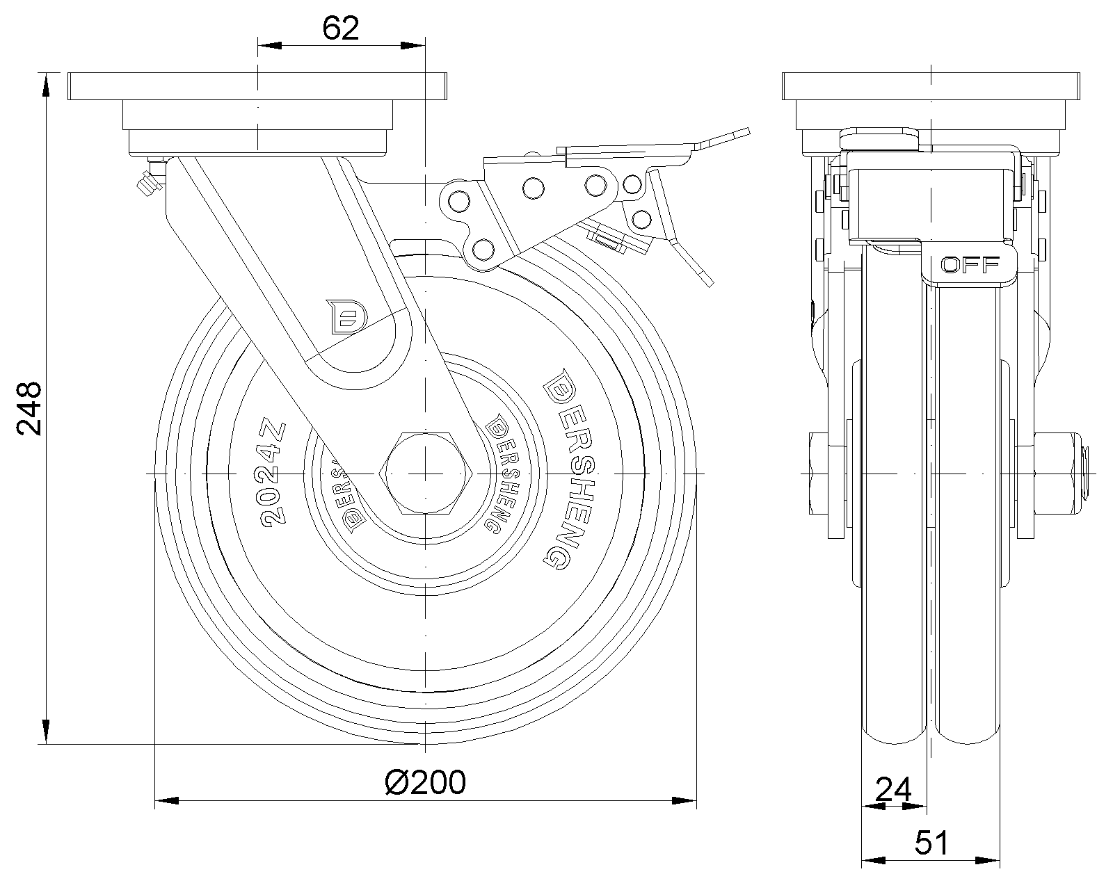
| 1102 B型系列 |   |   | ||||
| ZQPU輪(褐弧) 輪徑 × 輪寬 200 x 24( 51)mm |   |   | ||||
| A |   | |||||
| KS-11020800804071 |   | |||||
|   |   | |||||
| 配有前煞式,鎖定係統的腳輪,焊接鋼板架 表面藍漆,底板式安裝裝置,孔距110x75 鑄鐵製輪芯,高品質聚氨酯輪面,銑褐色 輪子軸承—精密滾珠 |   | |||||
|   |   | |||||
| 輪面:高品質聚氨酯製成 輪芯:鐵芯/鑄鐵芯 產品說明僅供參考一切以實體產品為主 |   | |||||
|   |   | |||||
|   公制 英制 
				  輪徑
			
								
												
                 				 
				200mm 
				
								
			
																
				 
				  輪寬
				
								
								
							 
			    
				51mm 
				
																				 |   |   | ||||
| 
				  輪子軸承
								
								
							  
				搭配滾珠軸承的輪子 
																				 
				  底板規格
								                
												
               											  
				140 x 110mm  
																																
				 
					  底板孔距
										
															
													
				
																		
				110x75mm   
								
																
				
				
																
								 
					  底板孔徑
																									
										
				2213mm 
				   				   				   				   				    
					  偏心距
																									
										
				62mm 
																				 
					  旋轉干涉
																									
										
				368mm 
																				 
					  總高
																									
									248mm 
				                                                  				
				 
					  旋轉半徑
																														
				184mm 
																									 
					  硬度
																														
				92±5° Shore A 
																									 
					  荷重(動態)
																														
				800kgs 
																									 | 滾動順暢 ● ● ● ● ● 靜音表現 ● ● ● ● ● 保護地板 ● ● ● ● ● | |||||
| 
					  荷重(靜態)
																									
										
				1200kgs 
				     					 					 					 					 
					  
					  溫度
																														
				-20°C to +70°C 
				    																			 
					  腳架樣式
																														
					前煞
																				 |   | |||||
| 
					  不銹鋼
																									
				    					否
				    				    				    				    					 
					  導電
																									
										否 
					
				    																				 
				  抗靜電	
									否 
					
				    																				 
					  腳輪重量
																														
					7.83kgs 
																									
					 
					  測試標準
																														ISO22883
					
																				 |   |   | ||||
|   |   | |||||
|   |   | |||||
|   |   | |||||
|   |   | |||||
| © 版權所有 2025 得貹上好輪 www.dersheng.com | ||||||