產品資料表
1102 B型系列
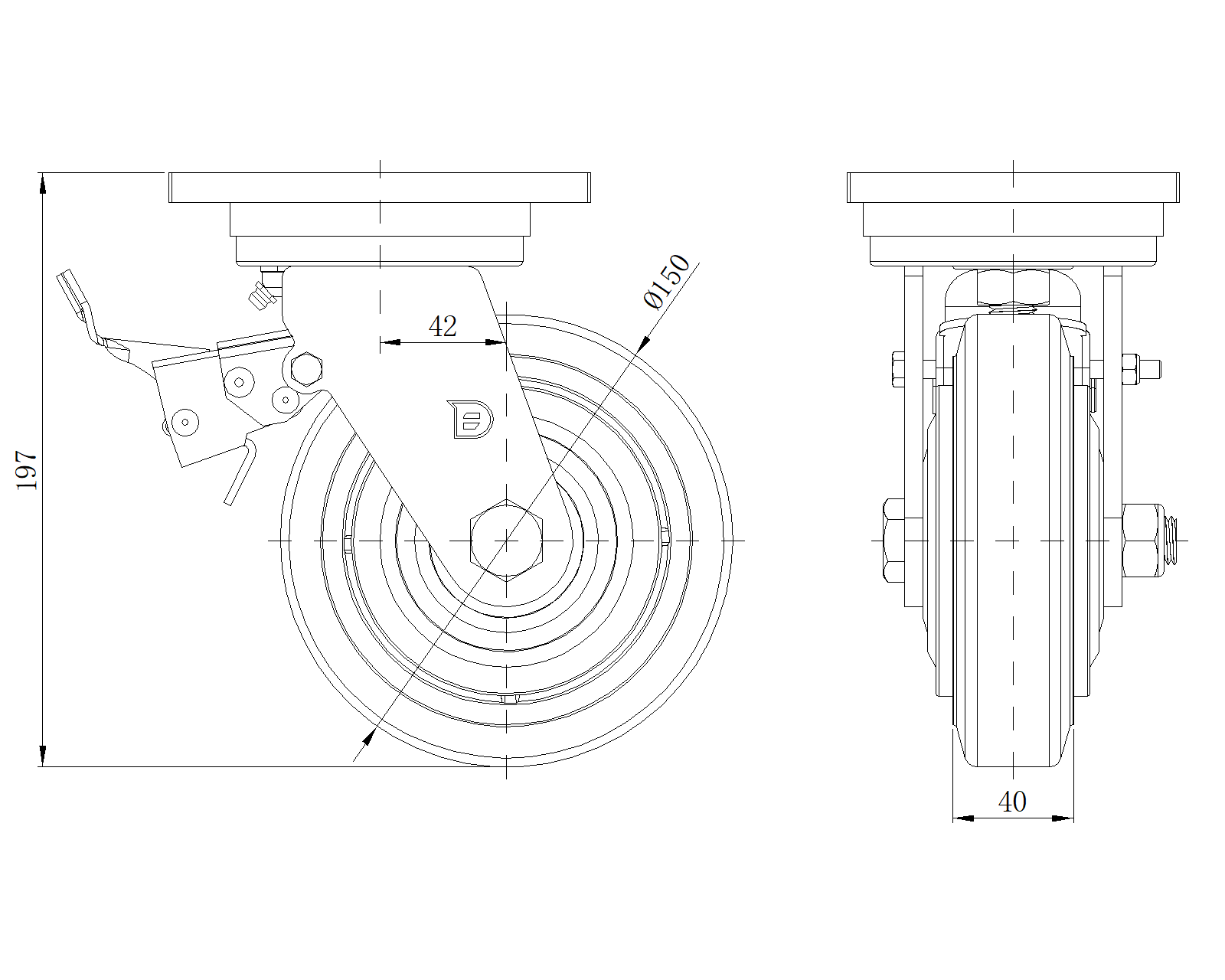
  牽引NBR輪(銑原) 輪徑 × 輪寬 150 x 40mm
  EAN
      KS-11020600044131
         
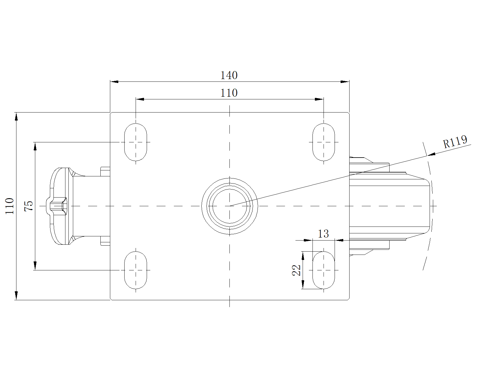
配有後煞式,鎖定系統的腳輪,焊接鋼板架 表面噴藍漆,底板式安裝裝置,孔距110x75 鑄鐵製輪芯,高品質高彈性橡膠輪面,銑原色 輪子軸承—精密滾珠
  輪面:高品質高彈性橡膠製成
  輪芯:鐵芯/鑄鐵芯

    產品說明僅供參考一切以實體產品為主



     
      公制 英制
  輪徑 150mm 

  輪寬 40mm 
  輪子軸承 搭配滾珠軸承的輪子 
  底板規格 140 x 110mm 
  底板孔距 110x75mm   
  底板孔徑 22 x 13mm 
  偏心距 42mm 
  旋轉干涉 238mm 
  總高 197mm 
  旋轉半徑 119mm 
  硬度 85±5° Shore A 
  荷重(動態) 350kgs 


  滾動順暢
      ● ● ● ○ ○

  靜音表現      ● ● ● ● ○

  保護地板      ● ● ● ● ○

  荷重(靜態) 525kgs 
  溫度 -20°C to +80°C 
  腳架樣式 後煞
  不銹鋼
  導電 否 
  抗靜電 否 
  腳輪重量 5.13kgs 
  測試標準 ISO22883
  
  
  © 版權所有 2026 得貹上好輪 www.dersheng.com
關  聯  產  品
1102 B型系列
牽引NBR輪(銑原) 輪徑 × 輪寬 150 x 40mm
KS-11020600041151
150 mm 350 Kgs 197 mm
固定式腳輪,焊接鋼板架—孔距110x75 表面噴藍漆,底板式安裝裝置 鑄鐵製輪芯,高品質高彈性橡膠輪面 銑原色,輪子軸承—精密滾珠
1102 B型系列
牽引NBR輪(銑原) 輪徑 × 輪寬 150 x 40mm
KS-11020600044121
150 mm 300 Kgs 197 mm
配有前煞式,鎖定系統的腳輪,焊接鋼板架 表面噴藍漆,底板式安裝裝置,孔距110x75 鑄鐵製輪芯,高品質高彈性橡膠輪面,銑原色 輪子軸承—精密滾珠,配特製防纏繞輪蓋