Bảng dữ liệu sản phẩm
1102 Series — LOẠI CÀNG KIỂU B
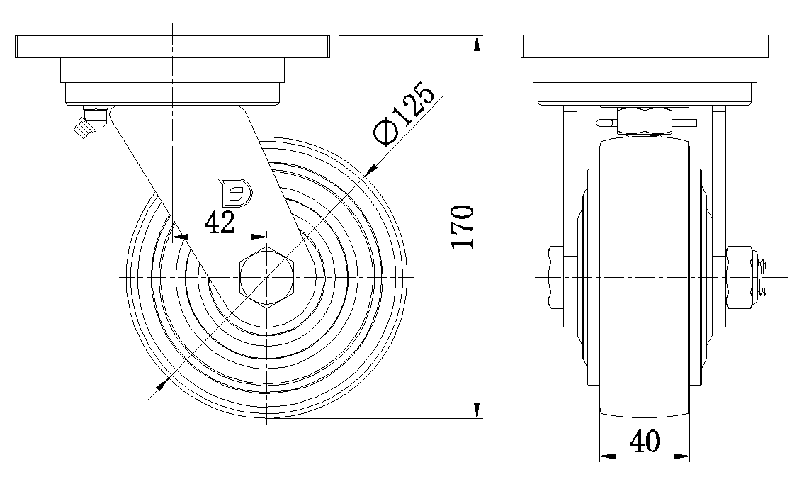
  Bánh xe PU (vòng cung đỏ) Đường kính bánh xe × Chiều rộng bánh xe 125 × 40mm
  EAN
      KS-11020500332111
         
Bánh xe xoay, khung thép hàn - khoảng cách lỗ 110x75
Hoàn thiện sơn xanh, lắp đế
Lõi gang, mặt lốp polyurethane chất lượng cao
Hoàn thiện phay đỏ, ổ trục bánh xe - ổ trục bi chính xác
  Bề mặt bánh xe: Được làm bằng polyurethane chất lượng cao
  Lõi bánh xe: lõi sắt/lõi gang

    Mô tả sản phẩm chỉ mang tính chất tham khảo. Sản phẩm thực tế sẽ được ưu tiên.



     
      đơn vị mét đế quốc
  Đường kính bánh xe 125mm 
  Chiều rộng bánh xe 40mm 
  vòng bi bánh xe Bánh xe trang bị vòng bi bi
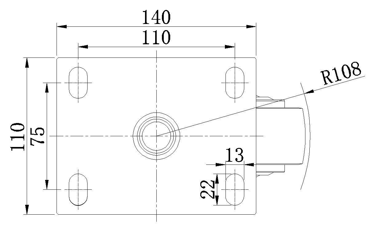
  Quy cách tấm lắp 140 x 110mm 
  khoảng cách các lỗ trên tấm nền 110x75mm 
  Khoảng cách các lỗ lắp 22 x 13mm 
  Độ lệch tâm 42mm 
  Sự can thiệp quay 216mm 
  Tổng chiều cao 170mm 
  Bán kính xoay 108mm 
  Độ cứng 93±5° Shore A 
  Tải trọng (động) 340kgs 


  Độ di chuyển mượt mà 
    ● ● ● ○ ○

  Chế độ im lặng        ● ● ● ● ○

  Bảo vệ mặt sàn       ● ● ● ● ○

  Tải trọng (tĩnh) 510kgs 
  Nhiệt độ -20°C to +70°C 
  Càng bánh xe Xoay 
  Thép không gỉ N/A
  Dẫn điện N/A 
  Chống tĩnh điện N/A 
  Trọng lượng bánh xe đẩy 3.97kgs 
  Tiêu chuẩn kiểm nghiệm ISO22883
  
  
  © Bản quyền thuộc về 2025 DershengInternational www.dersheng.com


            關  聯  產  品



  1102 Series — LOẠI CÀNG KIỂU B
   Bánh xe PU (vòng cung đỏ) Đường kính bánh xe × Chiều rộng bánh xe 125 × 40mm

     KS-11020500331111
       

         125 mm         340 Kgs         170 mm    

Bánh xe cố định, khung thép hàn - khoảng cách lỗ 110x75
Hoàn thiện sơn xanh, lắp đế
Lõi gang, mặt lốp polyurethane chất lượng cao
Hoàn thiện phay đỏ, ổ trục bánh xe - ổ trục bi chính xác




  1102 Series — LOẠI CÀNG KIỂU B
   Bánh xe PU (vòng cung đỏ) Đường kính bánh xe × Chiều rộng bánh xe 125 × 40mm

     KS-11020500332121
       

         125 mm         340 Kgs         170 mm    

Bánh xe xoay, khung thép hàn - Khoảng cách lỗ 110x75
Hoàn thiện sơn màu xanh, lắp đế
Lõi gang, gai polyurethane chất lượng cao, phay màu đỏ
Vòng bi bánh xe - vòng bi chính xác với nắp chống quấn đặc biệt




  1102 Series — LOẠI CÀNG KIỂU B
   Bánh xe PU (vòng cung đỏ) Đường kính bánh xe × Chiều rộng bánh xe 125 × 40mm

     KS-11020500334111
       

         125 mm         340 Kgs         170 mm    

Bánh xe có hệ thống phanh và khóa sau, khung thép hàn
Hoàn thiện sơn màu xanh, lắp đế, khoảng cách lỗ 110x75
Lõi bánh xe bằng gang, gai polyurethane chất lượng cao, màu đỏ phay
Vòng bi bánh xe—vòng bi cầu chính xác




  1102 Series — LOẠI CÀNG KIỂU B
   Bánh xe PU (vòng cung đỏ) Đường kính bánh xe × Chiều rộng bánh xe 125 × 40mm

     KS-11020500334121
       

         125 mm         340 Kgs         170 mm    

Bánh xe có hệ thống phanh và khóa sau, khung thép hàn
Hoàn thiện sơn màu xanh, lắp đế, khoảng cách lỗ 110x75
Lõi bánh xe bằng gang, gai polyurethane chất lượng cao, phay màu đỏ
Vòng bi bánh xe—vòng bi chính xác với nắp bánh xe chống xoắn đặc biệt