Bảng dữ liệu sản phẩm
1102 Series — LOẠI CÀNG KIỂU B
  Kéo NBR Wheel (Mill Raw) Đường kính bánh xe × Chiều rộng bánh xe 125 x 40mm
  EAN
      KS-11020500044071
         
Bánh xe có hệ thống phanh và khóa sau, khung thép hàn
Hoàn thiện sơn màu xanh, lắp đế, khoảng cách lỗ 110x75
Lõi bánh xe bằng gang, gai cao su đàn hồi cao chất lượng cao, được phay màu tự nhiên
Vòng bi bánh xe—vòng bi chính xác với nắp bánh xe chống quấn đặc biệt
  Bề mặt bánh xe: Được làm bằng cao su chất lượng cao và có độ đàn hồi cao
  Lõi bánh xe: lõi sắt/lõi gang

    Mô tả sản phẩm chỉ mang tính chất tham khảo. Sản phẩm thực tế sẽ được ưu tiên.



     
      đơn vị mét đế quốc
  Đường kính bánh xe 125mm 
  Chiều rộng bánh xe 40mm 
  vòng bi bánh xe Bánh xe trang bị vòng bi bi
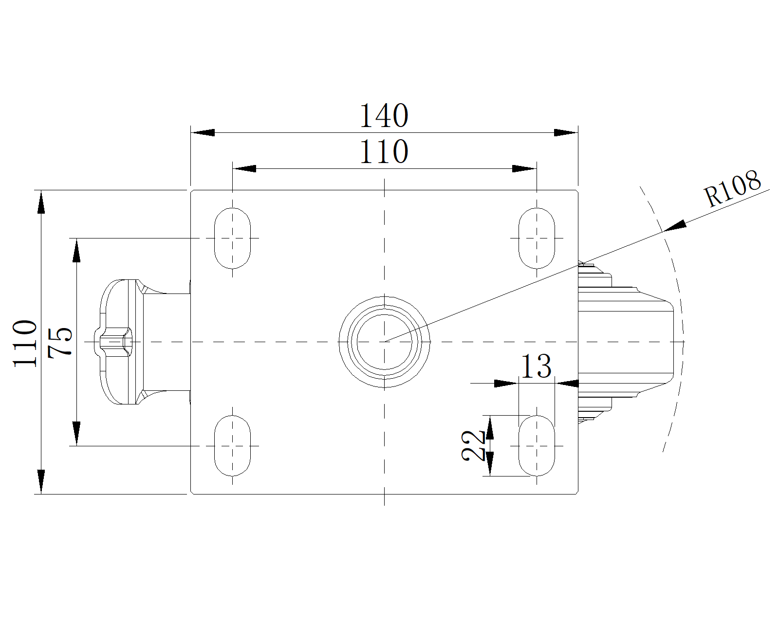
  Quy cách tấm lắp 140 x 110mm 
  khoảng cách các lỗ trên tấm nền 110x75mm 
  Khoảng cách các lỗ lắp 22 x 13mm 
  Độ lệch tâm 42mm 
  Sự can thiệp quay 216mm 
  Tổng chiều cao 170mm 
  Bán kính xoay 108mm 
  Độ cứng 85±5° Shore A 
  Tải trọng (động) 250kgs 


  Độ di chuyển mượt mà 
    ● ● ● ○ ○

  Chế độ im lặng        ● ● ● ● ○

  Bảo vệ mặt sàn       ● ● ● ● ○

  Tải trọng (tĩnh) 375kgs 
  Nhiệt độ -20°C to +80°C 
  Càng bánh xe Khóa sau
  Thép không gỉ N/A
  Dẫn điện N/A 
  Chống tĩnh điện N/A 
  Trọng lượng bánh xe đẩy 4.35kgs 
  Tiêu chuẩn kiểm nghiệm ISO22883
  
  
  © Bản quyền thuộc về 2025 DershengInternational www.dersheng.com


            關  聯  產  品



  1102 Series — LOẠI CÀNG KIỂU B
   Kéo NBR Wheel (Mill Raw) Đường kính bánh xe × Chiều rộng bánh xe 125 x 40mm

     KS-11020500042081
       

         125 mm         250 Kgs         170 mm    

Bánh xe xoay, khung thép hàn - khoảng cách lỗ 110x75
Hoàn thiện sơn màu xanh, lắp đế
Lõi gang, mặt cao su đàn hồi cao, chất lượng cao
Hoàn thiện phay, vòng bi chính xác




  1102 Series — LOẠI CÀNG KIỂU B
   Kéo NBR Wheel (Mill Raw) Đường kính bánh xe × Chiều rộng bánh xe 125 x 40mm

     KS-11020500042071
       

         125 mm         250 Kgs         170 mm    

Bánh xe xoay, khung thép hàn - khoảng cách lỗ 110x75
Hoàn thiện sơn màu xanh, lắp đế
Lõi gang, mặt cao su đàn hồi cao chất lượng cao, phay màu tự nhiên
Vòng bi bánh xe - vòng bi chính xác, có nắp bánh xe chống quấn đặc biệt




  1102 Series — LOẠI CÀNG KIỂU B
   Kéo NBR Wheel (Mill Raw) Đường kính bánh xe × Chiều rộng bánh xe 125 x 40mm

     KS-11020500041071
       

         125 mm         250 Kgs         170 mm    

Bánh xe cố định, khung thép hàn - Khoảng cách lỗ 110x75
Hoàn thiện sơn xanh, lắp đế và chụp bánh xe chống xoắn đặc biệt
Lõi bánh xe bằng gang, gai cao su đàn hồi cao chất lượng cao
Hoàn thiện phay, ổ trục bánh xe - ổ trục bi chính xác




  1102 Series — LOẠI CÀNG KIỂU B
   Kéo NBR Wheel (Mill Raw) Đường kính bánh xe × Chiều rộng bánh xe 125 x 40mm

     KS-11020500044051
       

         125 mm         250 Kgs         170 mm    

Bánh xe có phanh trước và hệ thống khóa, khung thép hàn
Hoàn thiện sơn xanh, lắp đế, khoảng cách lỗ 110x75
Lõi bánh xe bằng gang, gai cao su đàn hồi cao chất lượng cao
Hoàn thiện phay, ổ trục bánh xe—ổ trục bi chính xác