![]() |
Bảng dữ liệu sản phẩm |
![]() |
![]() |
![]() |
||
1102 Series — LOẠI CÀNG KIỂU B |
![]() |
![]() |
||||
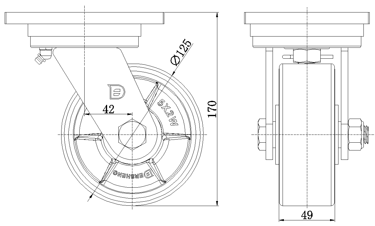
Bánh xe WPU (đỏ phẳng) Đường kính bánh xe × Chiều rộng bánh xe 125 × 49mm |
![]() |
![]() |
||||
EAN |
![]() |
|||||
KS-11020500332211 |
![]() |
|||||
![]() |
![]() |
|||||
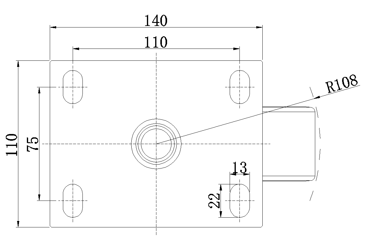
Bánh xe xoay, khung thép hàn - khoảng cách lỗ 110x75
Hoàn thiện sơn xanh, lắp đế Lõi gang, mặt lốp polyurethane chất lượng cao Hoàn thiện phay đỏ, ổ trục bánh xe - ổ trục bi chính xác |
![]() |
|||||
![]() |
![]() |
|||||
Bề mặt bánh xe: Được làm bằng polyurethane chất lượng cao Lõi bánh xe: lõi sắt/lõi gang Mô tả sản phẩm chỉ mang tính chất tham khảo. Sản phẩm thực tế sẽ được ưu tiên. |
![]() |
|||||
![]() |
![]() |
|||||
![]() đơn vị mét đế quốc
Đường kính bánh xe
125mm
Chiều rộng bánh xe
49mm
|
![]() |
![]() |
||||
vòng bi bánh xe
Bánh xe trang bị vòng bi bi
Quy cách tấm lắp
140 x 110mm
khoảng cách các lỗ trên tấm nền
110x75mm
Khoảng cách các lỗ lắp
22 x 13mm
Độ lệch tâm
42mm
Sự can thiệp quay
216mm
Tổng chiều cao
170mm
Bán kính xoay
108mm
Độ cứng
93±5° Shore A
Tải trọng (động)
400kgs
|
Độ di chuyển mượt mà ● ● ● ○ ○ Chế độ im lặng ● ● ● ● ○ Bảo vệ mặt sàn ● ● ● ● ○ |
|||||
Tải trọng (tĩnh)
600kgs
Nhiệt độ
-20°C to +70°C
Càng bánh xe
Xoay
|
![]() |
|||||
Thép không gỉ
N/A
Dẫn điện
N/A
Chống tĩnh điện
N/A
Trọng lượng bánh xe đẩy
4.21kgs
Tiêu chuẩn kiểm nghiệm
ISO22883
|
![]() |
![]() |
||||
![]() |
![]() |
|||||
![]() |
![]() |
|||||
![]() |
![]() |
|||||
![]() |
![]() |
|||||
© Bản quyền thuộc về 2025 DershengInternational www.dersheng.com |