|
|
Bảng dữ liệu sản phẩm |
|
|
|
||
| 1105 Series — LOẠI CÀNG KIỂU E |
|
|
||||
| Bánh xe WMRC (trong suốt) Đường kính bánh xe × Chiều rộng bánh xe 75 x 31mm |
|
|
||||
| EAN |
|
|||||
|
YJ-11050300072023 |
|
|||||
|
|
|
|||||
| Bánh xe di chuyển, giá đỡ tấm đế được tán đinh và dập - lỗ đục cao cấp
Bề mặt mạ kẽm, thiết bị lắp tấm đế Lõi bánh xe và bề mặt bánh xe bằng nhựa nhiệt dẻo gia cố Vòng bi bánh xe - vòng bi bi chính xác. |
|
|||||
|
|
|
|||||
| Bề mặt bánh xe: Nhựa nhiệt dẻo (PA6) Lõi bánh xe: Nhựa nhiệt dẻo (PA6) Mô tả sản phẩm chỉ mang tính chất tham khảo. Sản phẩm thực tế sẽ được ưu tiên. |
|
|||||
|
|
|
|||||
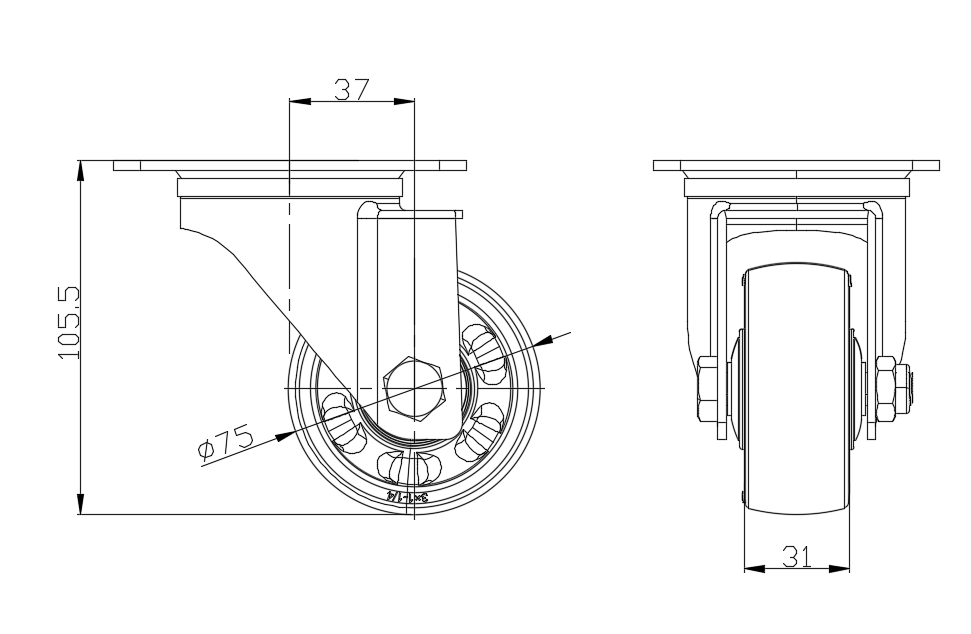
đơn vị mét đế quốc
Đường kính bánh xe
75mm
Chiều rộng bánh xe
31mm
|
|
|
||||
|
vòng bi bánh xe
Bánh xe trang bị vòng bi bi
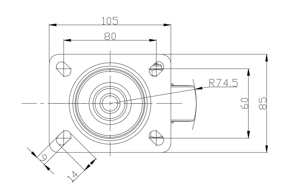
Quy cách tấm lắp
105 x 85mm
khoảng cách các lỗ trên tấm nền
80 x 60mm
Khoảng cách các lỗ lắp
14 x 9mm
Độ lệch tâm
37mm
Sự can thiệp quay
149mm
Tổng chiều cao
105.5mm
Bán kính xoay
74.5mm
Độ cứng
75±5° Shore D
Tải trọng (động)
160kgs
|
Độ di chuyển mượt mà ● ● ● ● ● Chế độ im lặng ● ● ○ ○ ○ Bảo vệ mặt sàn ● ● ○ ○ ○ |
|||||
|
Tải trọng (tĩnh)
240kgs
Nhiệt độ
-20°C to +80°C
Càng bánh xe
Xoay
|
|
|||||
|
Thép không gỉ
N/A
Dẫn điện
N/A
Chống tĩnh điện
N/A
Trọng lượng bánh xe đẩy
0.60kgs
Tiêu chuẩn kiểm nghiệm
ISO22883
|
|
|
||||
|
|
|||||
|
|
|||||
|
|
|||||
|
|
|||||
| © Bản quyền thuộc về 2026 DershengInternational www.dersheng.com | ||||||