|
|
產品數據表 |
|
|
|
||
| 1106 儀器系列 |
|
|
||||
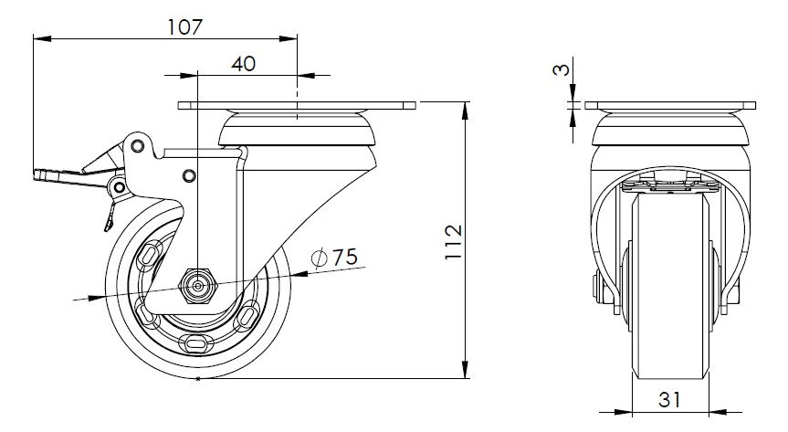
| W全效輪 輪徑 × 輪寬 75 x 31mm |
|
|
||||
| EAN |
|
|||||
|
TW-4110603004093
|
|
|||||
|
|
|
|||||
| 配有雙煞式,鎖定系統的腳輪。底板鉚合沖壓腳架—高級孔 表面鍍鋅,底板式安裝裝置 加強式耐衝擊聚丙烯輪芯,熱塑性彈性體(TPR)輪面 深灰色,輪子軸承—精密滾珠 |
|
|||||
|
|
|
|||||
| 輪面:熱塑性橡膠彈性體(TPR) 輪芯:採用優質耐衝擊聚丙烯 產品說明僅供參考一切以實體產品為主 |
|
|||||
|
|
|
|||||
公制 英制
輪徑
75mm
輪寬
31mm
|
|
|
||||
|
輪子軸承
搭配滾珠軸承的輪子
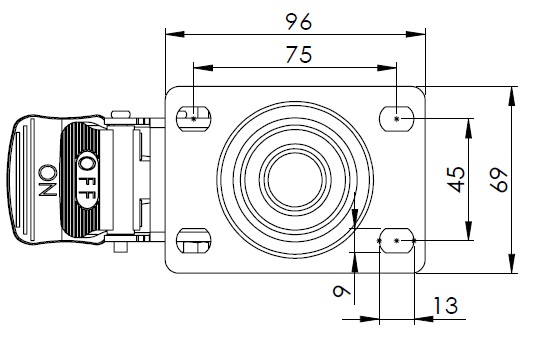
底板規格
96 x 69mm
底板孔距
75 x 45mm 高級孔
底板孔徑
13 x 9mm
偏心距
40mm
旋轉干涉
214mm
總高
112mm
旋轉半徑
107mm
硬度
72±5° Shore A
荷重(動態)
90kgs
|
滾動順暢 ● ● ● ● ● 靜音表現 ● ● ● ● ● 保護地板 ● ● ● ● ● |
|||||
|
荷重(靜態)
135kgs
溫度
-20°C to +60°C
腳架樣式
雙煞
|
|
|||||
|
不銹鋼
否
導電
否
抗靜電
否
腳輪重量
0.75kgs
測試標準
ISO22883
|
|
|
||||
|
|
|||||
|
|
|||||
|
|
|||||
|
|
|||||
| © 版權所有 2026 得貹上好輪 www.dersheng.com | ||||||