|
|
產品數據表 |
|
|
|
||
| 1106 儀器系列 |
|
|
||||
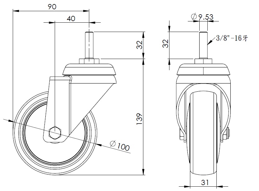
| 全效輪 輪徑 × 輪寬 100 x 31mm |
|
|
||||
| EAN |
|
|||||
|
TW-4110604002172
|
|
|||||
|
|
|
|||||
| 活動式腳輪,牙心鉚合沖壓腳架—3/8"-16牙
表面鍍鋅,絲扣式安裝裝置 耐衝擊聚丙烯輪芯,熱塑性彈性體(TPR)輪面 深灰色,輪子軸承—精密滾珠。 |
|
|||||
|
|
|
|||||
| 輪面:熱塑性橡膠彈性體(TPR) 輪芯:採用優質耐衝擊聚丙烯 產品說明僅供參考一切以實體產品為主 |
|
|||||
|
|
|
|||||
公制 英制
輪徑
100mm
輪寬
31mm
|
|
|
||||
|
輪子軸承
搭配滾珠軸承的輪子
絲扣規格
3/8"-16牙
絲扣長度
32mm
偏心距
40mm
旋轉干涉
180mm
總高
139mm
旋轉半徑
90mm
硬度
72±5° Shore A
荷重(動態)
125kgs
|
滾動順暢 ● ● ● ● ● 靜音表現 ● ● ● ● ● 保護地板 ● ● ● ● ● |
|||||
|
荷重(靜態)
187.5kgs
溫度
-20°C to +60°C
腳架樣式
活動
|
|
|||||
|
不銹鋼
否
導電
否
抗靜電
否
腳輪重量
0.55kgs
測試標準
ISO22883
|
|
|
||||
|
|
|||||
|
|
|||||
|
|
|||||
|
|
|||||
| © 版權所有 2026 得貹上好輪 www.dersheng.com | ||||||