产品资料表
1109 美国轮系列
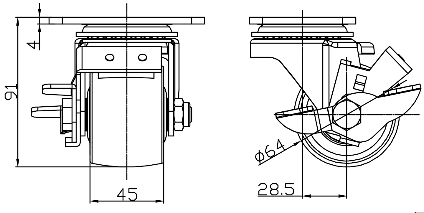
  MRC 轮(黑),轮径 × 轮宽为 64×45 mm
  EAN
         
  YJ-11090250054033    
配有侧(轮)煞式,锁定系统的脚轮。底板铆合冲压脚架—高级 孔
表面镀锌,底板式安装装置
热可塑性塑料轮芯、轮面
轮子轴承—精密滚珠。
  轮面:为热塑性塑料(PA6 )
  轮芯:为热塑性塑料(PA6 )

    产品说明仅供参考一切以实体产品为主



     
      公制 英制
  轮径 64mm 
  轮宽 45mm 
  轮子轴承 搭配滚珠轴承的轮子 
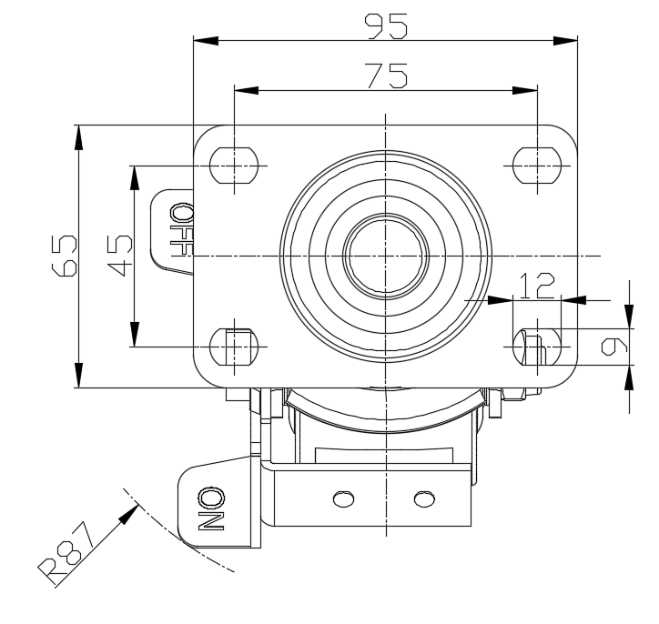
  底板规格 95 x 65mm 
  底板孔距 75 x 45mm   高级孔
  底板孔径 12 x 9mm 
  偏心距 28.5mm 
  旋转干涉 174mm 
  总高 91mm 
  旋转半径 87mm 
  硬度 75±5° Shore D 
  荷重(动态) 250kgs 


  滚动顺畅
      ● ● ● ● ●

  静音表现      ● ● ○ ○ ○

  保护地板      ● ● ○ ○ ○

  荷重(静态) 375kgs 
  温度 -20°C to +80°C 
  脚架样式 侧煞(单)
  不锈钢
  导电 否 
  抗静电 否 
  脚轮重量 0.87kgs 
  测试标准 ISO22883
  
  
  © 版权所有 2025 得貹上好轮 www.dersheng.com


            關  聯  產  品



  1109 美国轮系列
   MRC 轮(黑),轮径 × 轮宽为 64×45 mm

     
   YJ-11090250051013    

         64 mm         250 Kgs         91 mm    

固定式脚轮,脚片焊接式脚架—高级孔
表面镀锌,底板式安装装置
热可塑性塑料轮芯、轮面
轮子轴承—精密滚珠。




  1109 美国轮系列
   MRC 轮(黑),轮径 × 轮宽为 64×45 mm

     
   YJ-11090250052013    

         64 mm         250 Kgs         91 mm    

活动式脚轮,底板铆合冲压脚架-高级孔
表面镀锌,底板式安装装置
热可塑性塑料轮芯、轮面
轮子轴承—精密滚珠。