|
|
Product Data Sheet |
|
|
|
||
| 1109-HD American Mechanical Wheel Series |
|
|
||||
| ZQPU Wheel Diameter × Wheel Width 50 x 20mm |
|
|
||||
| EAN |
|
|||||
|
TW-4110902002010
|
|
|||||
|
|
|
|||||
| Swivel Casters, Riveted and Stamping Top Plate with high-grade perforated holes. Zine-Plated Top Plate, electroplated Top Plate, plate-mounted Mounting Type system. Cast Iron Wheel Center, High Quality Polyurethane Wheel Tread. Blue finish, Ball Bearings. |
|
|||||
|
|
|
|||||
| Wheel Tread: Hhigh-Quality Polyurethane Wheel Center: Iron core / Cast iron core Drawings are for reference only and may differ from the product |
|
|||||
|
|
|
|||||
Metric Imperial
Wheel Diameter
50mm
Wheel Width
25mm
|
|
|
||||
|
Wheel Bearing
Wheels With Ball Bearings
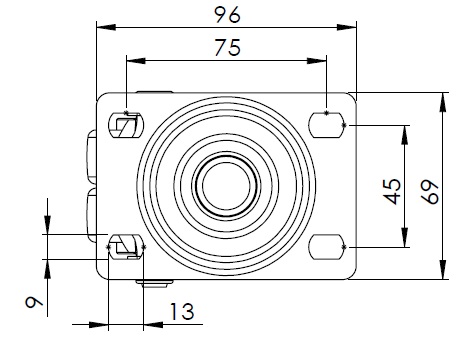
Plate Size
96 x 69mm
Bolt Hole Spacing
75 x 45mm
Plate Hole
13 x 9mm
Offset
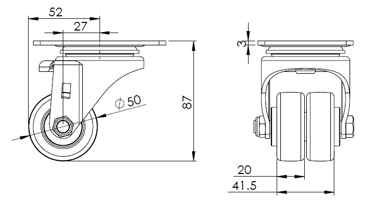
27mm
Swivel Interference
104mm
Overall Height
87mm
Swivel Radius
52mm
Hardness Of Tread
87±5° Shore A
Load Capacity (Dynamic)
350kgs
|
Rolling Resistance ● ● ● ● ● Operating Noise ● ● ● ● ● Floor Surface Preservation ● ● ● ● ● |
|||||
|
Load Capacity (Static)
525kgs
Temperature
-20°C to +70°C
Fork Type
Swivel Caster
|
|
|||||
|
Stainless
N/A
Electrical Conductivity
N/A
Anti-Static
N/A
Weight
0.70kgs
Standard
ISO22883
|
|
|
||||
|
|
|||||
|
|
|||||
|
|
|||||
|
|
|||||
| © Copyright 2026 DershengInternational www.dersheng.com | ||||||