產品數據表
1109 美國輪系列 
  尼龍輪 輪徑 × 輪寬 50 x 25mm
  EAN
  TW-4110902001001    
         
固定式腳輪,一體成型沖壓腳架 表面鍍鋅,底板式安裝裝置 熱可塑性塑膠輪芯、輪面 輪子—中管式。
  輪面:為熱塑性塑膠(PA6)
  輪芯:為熱塑性塑膠(PA6)

    產品說明僅供參考一切以實體產品為主



     
      公制 英制
  輪徑 50mm 

  輪寬 25mm 
  輪子軸承 搭配中管的輪子 
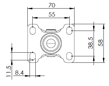
  底板規格 70 x 58mm 
  底板孔距 55 x 38.5mm   
  底板孔徑 11.5 x 8.4mm 
  總高 70mm 
  硬度 75±5° Shore D 
  荷重(動態) 70kgs 


  滾動順暢
      ● ● ● ● ●

  靜音表現      ● ● ○ ○ ○

  保護地板      ● ● ○ ○ ○

  荷重(靜態) 105kgs 
  溫度 -20°C to +80°C 
  腳架樣式 固定 
  不銹鋼
  導電 否 
  抗靜電 否 
  腳輪重量 0.15kgs 
  測試標準 ISO22883
  
  
  © 版權所有 2026 得貹上好輪 www.dersheng.com
關  聯  產  品
1109 美國輪系列 
尼龍輪 輪徑 × 輪寬 50 x 25mm
TW-4110902002001
50 mm 70 Kgs 70 mm
活動式腳輪,底板鉚合沖壓腳架 表面鍍鋅,底板式安裝裝置 熱可塑性塑膠輪芯、輪面 輪子—中管式。