|
|
產品數據表 |
|
|
|
||
| 1109-HD 美國機械輪系列 |
|
|
||||
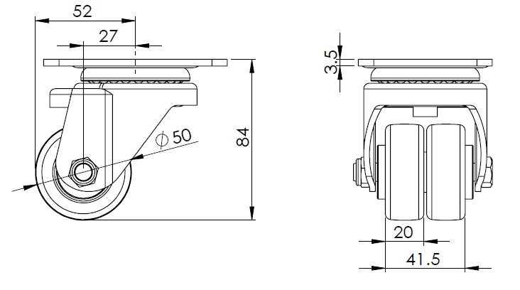
| ZQPU輪 輪徑 × 輪寬 50 x 20mm |
|
|
||||
| EAN |
|
|||||
|
TW-4110902002010
|
|
|||||
|
|
|
|||||
| 活動式腳輪,底板鉚合沖壓腳架—高級孔 底板鍍鋅,腳架電著,底板式安裝裝置 鑄鐵製輪芯,高品質聚氨酯輪面 藍色,輪子軸承—精密滾珠。 |
|
|||||
|
|
|
|||||
| 輪面:高品質聚氨酯製成 輪芯:鐵芯/鑄鐵芯 產品說明僅供參考一切以實體產品為主 |
|
|||||
|
|
|
|||||
公制 英制
輪徑
50mm
輪寬
25mm
|
|
|
||||
|
輪子軸承
搭配滾珠軸承的輪子
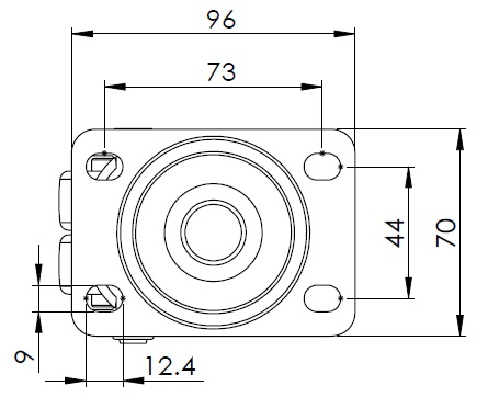
底板規格
96 x 69mm
底板孔距
75 x 45mm
底板孔徑
13 x 9mm
偏心距
27mm
旋轉干涉
104mm
總高
87mm
旋轉半徑
52mm
硬度
87±5° Shore A
荷重(動態)
350kgs
|
滾動順暢 ● ● ● ● ● 靜音表現 ● ● ● ● ● 保護地板 ● ● ● ● ● |
|||||
|
荷重(靜態)
525kgs
溫度
-20°C to +70°C
腳架樣式
活動
|
|
|||||
|
不銹鋼
否
導電
否
抗靜電
否
腳輪重量
0.70kgs
測試標準
ISO22883
|
|
|
||||
|
|
|||||
|
|
|||||
|
|
|||||
|
|
|||||
| © 版權所有 2026 得貹上好輪 www.dersheng.com | ||||||