|
|
產品數據表 |
|
|
|
||
| 1109 美國輪系列 |
|
|
||||
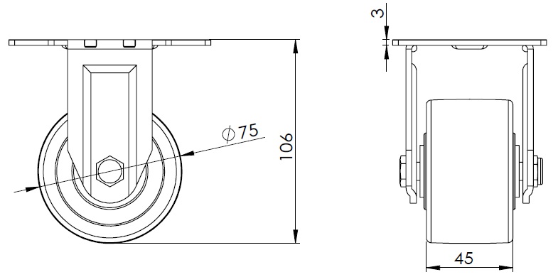
| 電木輪 輪徑 × 輪寬 75 x 45mm |
|
|
||||
| EAN |
|
|||||
|
TW-4110903001007
|
|
|||||
|
|
|
|||||
| 固定式腳輪,一體成型沖壓腳架 表面鍍鋅,底板式安裝裝置 浸軟織物的壓縮合成樹脂輪芯、輪面 輪子軸承—精密長珠。 |
|
|||||
|
|
|
|||||
| 輪面:浸軟織物的壓縮合成樹脂 輪芯:浸軟織物的壓縮合成樹脂 產品說明僅供參考一切以實體產品為主 |
|
|||||
|
|
|
|||||
公制 英制
輪徑
75mm
輪寬
45mm
|
|
|
||||
|
輪子軸承
搭配精密長珠軸承的輪子
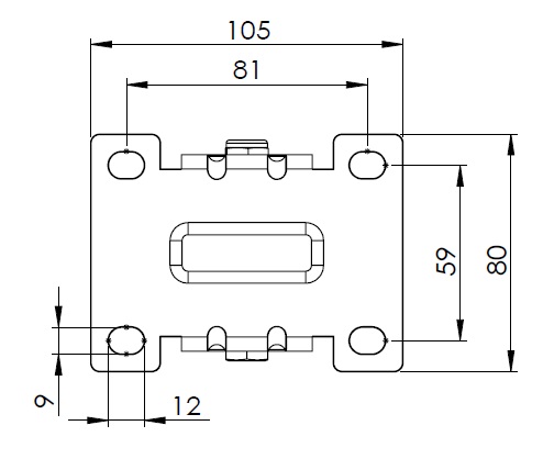
底板規格
105 x 80mm
底板孔距
81 x 59mm
底板孔徑
12 x 9mm
總高
106mm
硬度
80±5° Shore D
荷重(動態)
225kgs
|
滾動順暢 ● ● ● ● ● 靜音表現 ● ● ○ ○ ○ 保護地板 ● ● ○ ○ ○ |
|||||
|
荷重(靜態)
337.5kgs
溫度
-20°C to +150°C
腳架樣式
固定
|
|
|||||
|
不銹鋼
否
導電
否
抗靜電
否
腳輪重量
0.60kgs
測試標準
ISO22883
|
|
|
||||
|
|
|||||
|
|
|||||
|
|
|||||
|
|
|||||
| © 版權所有 2026 得貹上好輪 www.dersheng.com | ||||||