|
|
產品數據表 |
|
|
|
||
| 1109 美國輪系列 |
|
|
||||
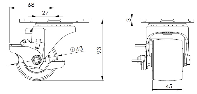
| 尼龍輪 輪徑 × 輪寬 63 x 45mm |
|
|
||||
| EAN |
|
|||||
|
TW-4110902054015
|
|
|||||
|
|
|
|||||
| 配有側(輪)煞式,鎖定係統的腳輪。底板鉚合沖壓腳架 表面鍍鋅,底板式安裝裝置 熱可塑性塑膠輪芯、輪面 輪子軸承—精密滾珠。 |
|
|||||
|
|
|
|||||
| 輪面:熱塑性塑料 輪芯:熱塑性塑料 產品說明僅供參考一切以實體產品為主 |
|
|||||
|
|
|
|||||
公制 英制 輪徑 63mm 輪寬 45mm |
|
|
||||
|
輪子軸承
搭配滾珠軸承的輪子
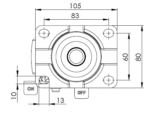
底板規格 105 x 80mm 底板孔距 83 x 60mm 底板孔徑 13 x 10mm 偏心距 27mm 旋轉干涉 136mm 總高 93mm 旋轉半徑 68mm 硬度 75±5° Shore D 荷重(動態) 250kgs |
滾動順暢 ● ● ● ● ● 靜音表現 ● ● ○ ○ ○ 保護地板 ● ● ○ ○ ○ |
|||||
|
荷重(靜態)
375kgs
溫度 -20°C to +80°C 腳架樣式 側煞(單) |
|
|||||
|
不銹鋼
否
導電 否 抗靜電 否 腳輪重量 0.75kgs 測試標準 ISO22883 |
|
|
||||
|
|
|||||
|
|
|||||
|
|
|||||
|
|
|||||
| © 版權所有 2025 得貹上好輪 www.dersheng.com | ||||||