|
|
產品數據表 |
|
|
|
||
| 1109 美國輪系列 |
|
|
||||
| 金剛輪 輪徑 × 輪寬 75 x 45mm |
|
|
||||
| EAN |
|
|||||
|
TW-4110903002043
|
|
|||||
|
|
|
|||||
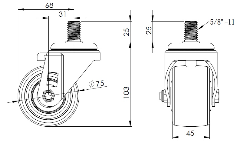
| 活動式腳輪,牙心鉚合沖壓腳架—5/8-11牙
表面鍍鋅,絲扣式安裝裝置 熱可塑性塑料輪芯、輪面 輪子軸承—精密滾珠 |
|
|||||
|
|
|
|||||
| 輪面:為熱塑性塑料 輪芯:為熱塑性塑料 產品說明僅供參考一切以實體產品為主 |
|
|||||
|
|
|
|||||
公制 英制
輪徑
75mm
輪寬
45mm
|
|
|
||||
|
輪子軸承
搭配滾珠軸承的輪子
絲扣規格
5/8"-11
絲扣長度
25mm
偏心距
31mm
旋轉干涉
138mm
總高
103mm
旋轉半徑
68mm
硬度
75±5° Shore D
荷重(動態)
400kgs
|
滾動順暢 ● ● ● ● ● 靜音表現 ● ● ○ ○ ○ 保護地板 ● ● ○ ○ ○ |
|||||
|
荷重(靜態)
600kgs
溫度
-20°C to +80°C
腳架樣式
活動
|
|
|||||
|
不銹鋼
否
導電
否
抗靜電
否
腳輪重量
0.72kgs
測試標準
ISO22883
|
|
|
||||
|
|
|||||
|
|
|||||
|
|
|||||
|
|
|||||
| © 版權所有 2026 得貹上好輪 www.dersheng.com | ||||||