|
|
產品數據表 |
|
|
|
||
| 1109 美國輪系列 |
|
|
||||
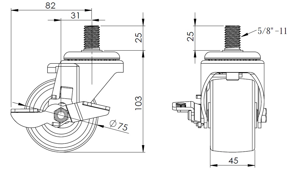
| 尼龍輪 輪徑 × 輪寬 75 x 45mm |
|
|
||||
| EAN |
|
|||||
|
TW-4110903004018
|
|
|||||
|
|
|
|||||
| 配有側(輪)煞式,鎖定系統的腳輪。牙心鉚合沖壓腳架—
5/8-11牙
表面鍍鋅,絲扣式安裝裝置 熱可塑性塑料輪芯、輪面 輪子—中管式 |
|
|||||
|
|
|
|||||
| 輪面:為熱塑性塑料 輪芯:為熱塑性塑料 產品說明僅供參考一切以實體產品為主 |
|
|||||
|
|
|
|||||
公制 英制
輪徑
75mm
輪寬
45mm
|
|
|
||||
|
輪子軸承
搭配中管的輪子
絲扣規格
5/8"-11牙
絲扣長度
25mm
偏心距
31mm
旋轉干涉
164mm
總高
103mm
旋轉半徑
82mm
硬度
75±5° Shore D
荷重(動態)
300kgs
|
滾動順暢 ● ● ● ● ● 靜音表現 ● ● ○ ○ ○ 保護地板 ● ● ○ ○ ○ |
|||||
|
荷重(靜態)
450kgs
溫度
-20°C to +80°C
腳架樣式
側煞(單)
|
|
|||||
|
不銹鋼
否
導電
否
抗靜電
否
腳輪重量
0.80kgs
測試標準
ISO22883
|
|
|
||||
|
|
|||||
|
|
|||||
|
|
|||||
|
|
|||||
| © 版權所有 2026 得貹上好輪 www.dersheng.com | ||||||