|
|
產品數據表 |
|
|
|
||
| 1109 美國輪系列 |
|
|
||||
| 抗靜電ZQPU輪 (銑黑) 輪徑 × 輪寬 50 x 20(41.5)mm |
|
|
||||
| EAN |
|
|||||
|
YJ-11090200805033 |
|
|||||
|
|
|
|||||
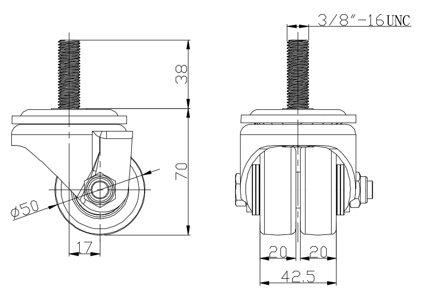
| 活動式腳輪,牙心铆合沖壓脚架—3/8"-16UNC
表面鍍鋅,丝扣式安裝裝置 鑄鐵製輪芯,高品質聚安酯輪面 黑色,輪子軸承—精密滾珠。 |
|
|||||
|
|
|
|||||
| 輪面:高品質聚安酯 輪芯:鑄鐵芯 產品說明僅供參考一切以實體產品為主 |
|
|||||
|
|
|
|||||
公制 英制
輪徑
50mm
輪寬
42.5mm
|
|
|
||||
|
輪子軸承
搭配滾珠軸承的輪子
絲扣規格
3/8"-16UNC
絲扣長度
38mm
偏心距
17mm
旋轉干涉
94mm
總高
70mm
旋轉半徑
47mm
硬度
82±5° Shore A
荷重(動態)
100kgs
|
滾動順暢 ● ● ● ● ● 靜音表現 ● ● ● ● ● 保護地板 ● ● ● ● ● |
|||||
|
荷重(靜態)
150kgs
溫度
-20°C to +70°C
腳架樣式
活動
|
|
|||||
|
不銹鋼
否
導電
否
抗靜電
是 10^6/~10^9/Ω
腳輪重量
0.95kgs
測試標準
ISO22883
|
|
|
||||
|
|
|||||
|
|
|||||
|
|
|||||
|
|
|||||
| © 版權所有 2026 得貹上好輪 www.dersheng.com | ||||||