![]() |
Bảng dữ liệu sản phẩm |
![]() |
![]() |
![]() |
||
1109 Series — BÁNH XE LÙN (Trọng tâm thấp) |
![]() |
![]() |
||||
Bánh xe nylon Đường kính bánh xe × chiều rộng bánh xe 75 x 45mm |
![]() |
![]() |
||||
EAN |
![]() |
|||||
TW-4110903002011
|
![]() |
|||||
![]() |
![]() |
|||||
Bánh xe di chuyển, đế chân đinh tán, khung chân dập - lỗ cao cấp
Bề mặt mạ kẽm, thiết bị lắp đế Lõi bánh xe và bề mặt bánh xe bằng nhựa nhiệt dẻo Vòng bi bánh xe - vòng bi bi chính xác. |
![]() |
|||||
![]() |
![]() |
|||||
Bề mặt bánh xe: Nhựa nhiệt dẻo Lõi bánh xe: Nhựa nhiệt dẻo Mô tả sản phẩm chỉ mang tính chất tham khảo. Sản phẩm thực tế sẽ được ưu tiên. |
![]() |
|||||
![]() |
![]() |
|||||
![]() đơn vị mét đế quốc
Đường kính bánh xe
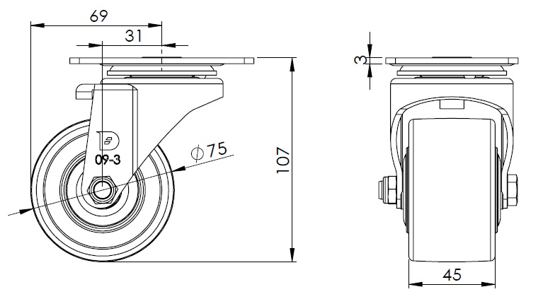
75mm
Chiều rộng bánh xe
45mm
|
![]() |
![]() |
||||
vòng bi bánh xe
Bánh xe trang bị vòng bi bi
Quy cách tấm lắp
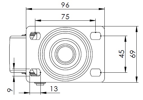
96 x 69mm
khoảng cách các lỗ trên tấm nền
75 x 45mm
Khoảng cách các lỗ lắp
13 x 9mm
Độ lệch tâm
31mm
Sự can thiệp quay
138mm
Tổng chiều cao
107mm
Bán kính xoay
69mm
Độ cứng
75±5° Shore D
Tải trọng (động)
300kgs
|
Độ di chuyển mượt mà ● ● ● ● ● Chế độ im lặng ● ● ○ ○ ○ Bảo vệ mặt sàn ● ● ○ ○ ○ |
|||||
Tải trọng (tĩnh)
450kgs
Nhiệt độ
-20°C to +80°C
Càng bánh xe
Xoay
|
![]() |
|||||
Thép không gỉ
N/A
Dẫn điện
N/A
Chống tĩnh điện
N/A
Trọng lượng bánh xe đẩy
0.80kgs
Tiêu chuẩn kiểm nghiệm
ISO22883
|
![]() |
![]() |
||||
![]() |
![]() |
|||||
![]() |
![]() |
|||||
![]() |
![]() |
|||||
![]() |
![]() |
|||||
© Bản quyền thuộc về 2025 DershengInternational www.dersheng.com |