Bảng dữ liệu sản phẩm
1109 Series — BÁNH XE LÙN (Trọng tâm thấp)
  Bánh xe nylon Đường kính bánh xe × chiều rộng bánh xe 75 x 45mm
  EAN
  TW-4110903002014    
         
Bánh xe di chuyển, khung chân đế được đóng dấu bằng đinh tán
Bề mặt mạ kẽm, thiết bị lắp đặt đế
Lõi bánh xe và bề mặt bánh xe bằng nhựa nhiệt dẻo
Bánh xe - loại ống tâm.
  Bề mặt bánh xe: Nhựa nhiệt dẻo
  Lõi bánh xe: Nhựa nhiệt dẻo

    Mô tả sản phẩm chỉ mang tính chất tham khảo. Sản phẩm thực tế sẽ được ưu tiên.



     
      đơn vị mét đế quốc
  Đường kính bánh xe 75mm 

  Chiều rộng bánh xe 45mm 
  vòng bi bánh xe Bánh xe đi kèm với ống giữa
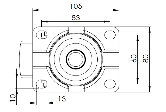
  Quy cách tấm lắp 105 x 80mm 
  khoảng cách các lỗ trên tấm nền 83 x 60mm 
  Khoảng cách các lỗ lắp 13 x 10mm 
  Độ lệch tâm 31mm 
  Sự can thiệp quay 138mm 
  Tổng chiều cao 107mm 
  Bán kính xoay 69mm 
  Độ cứng 75±5° Shore D 
  Tải trọng (động) 300kgs 


  Độ di chuyển mượt mà 
    ● ● ● ● ●

  Chế độ im lặng        ● ● ○ ○ ○

  Bảo vệ mặt sàn       ● ● ○ ○ ○

  Tải trọng (tĩnh) 450kgs 
  Nhiệt độ -20°C to +80°C 
  Càng bánh xe Xoay 
  Thép không gỉ N/A
  Dẫn điện N/A 
  Chống tĩnh điện N/A 
  Trọng lượng bánh xe đẩy 0.80kgs 
  Tiêu chuẩn kiểm nghiệm ISO22883
  
  
  © Bản quyền thuộc về 2026 DershengInternational www.dersheng.com
Sản phẩm liên quan
1109 Series — BÁNH XE LÙN (Trọng tâm thấp)
Bánh xe nylon Đường kính bánh xe × chiều rộng bánh xe 75 x 45mm
TW-4110903004010
75 mm 300 Kgs 107 mm
Bánh xe có phanh bên và hệ thống khóa. Đế chân được đóng đinh tán
Bề mặt mạ kẽm, thiết bị lắp đế
Lõi bánh xe và bề mặt bánh xe bằng nhựa nhiệt dẻo
Bánh xe - loại ống giữa.