![]() |
Bảng dữ liệu sản phẩm |
![]() |
![]() |
![]() |
||
1109 Series — BÁNH XE LÙN (Trọng tâm thấp) |
![]() |
![]() |
||||
Bánh xe nylon Đường kính bánh xe × chiều rộng bánh xe 75 x 45mm |
![]() |
![]() |
||||
EAN |
![]() |
|||||
TW-4110903002019
|
![]() |
|||||
![]() |
![]() |
|||||
Bánh xe di chuyển, khung chân đế được đóng dấu bằng đinh tán
Bề mặt mạ kẽm, thiết bị lắp đặt tấm đế Lõi bánh xe và bề mặt bánh xe bằng nhựa nhiệt dẻo Bánh xe - loại ống tâm. |
![]() |
|||||
![]() |
![]() |
|||||
Bề mặt bánh xe: Nhựa nhiệt dẻo Lõi bánh xe: Nhựa nhiệt dẻo Mô tả sản phẩm chỉ mang tính chất tham khảo. Sản phẩm thực tế sẽ được ưu tiên. |
![]() |
|||||
![]() |
![]() |
|||||
![]() đơn vị mét đế quốc
Đường kính bánh xe
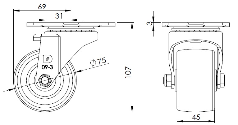
75mm
Chiều rộng bánh xe
45mm
|
![]() |
![]() |
||||
vòng bi bánh xe
Bánh xe đi kèm với ống giữa
Quy cách tấm lắp
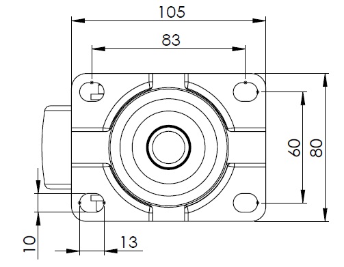
105 x 80mm
khoảng cách các lỗ trên tấm nền
83 x 60mm
Khoảng cách các lỗ lắp
13 x 10mm
Độ lệch tâm
31mm
Sự can thiệp quay
138mm
Tổng chiều cao
107mm
Bán kính xoay
69mm
Độ cứng
75±5° Shore D
Tải trọng (động)
300kgs
|
Độ di chuyển mượt mà ● ● ● ● ● Chế độ im lặng ● ● ○ ○ ○ Bảo vệ mặt sàn ● ● ○ ○ ○ |
|||||
Tải trọng (tĩnh)
450kgs
Nhiệt độ
-20°C to +80°C
Càng bánh xe
Xoay
|
![]() |
|||||
Thép không gỉ
N/A
Dẫn điện
N/A
Chống tĩnh điện
N/A
Trọng lượng bánh xe đẩy
0.80kgs
Tiêu chuẩn kiểm nghiệm
ISO22883
|
![]() |
![]() |
||||
![]() |
![]() |
|||||
![]() |
![]() |
|||||
![]() |
![]() |
|||||
![]() |
![]() |
|||||
© Bản quyền thuộc về 2025 DershengInternational www.dersheng.com |