Bảng dữ liệu sản phẩm
1109 Series — BÁNH XE LÙN (Trọng tâm thấp)
  Lốp MRC (đen), đường kính lốp × chiều rộng lốp 50 x 45mm
  EAN
         
  YJ-11090200052033    
Bánh xe xoay có đế đinh tán và đế dập – lỗ cao cấp
Hoàn thiện mạ kẽm, lắp đặt trên đế
Lõi bánh xe và mặt bánh xe bằng nhựa nhiệt dẻo
Vòng bi bánh xe màu đen – vòng bi chính xác
  Bề mặt bánh xe: Nhựa nhiệt dẻo (PA6)
  Lõi bánh xe: Nhựa nhiệt dẻo (PA6)

    Mô tả sản phẩm chỉ mang tính chất tham khảo. Sản phẩm thực tế sẽ được ưu tiên.



     
      đơn vị mét đế quốc
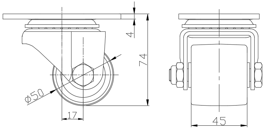
  Đường kính bánh xe 50mm 

  Chiều rộng bánh xe 45mm 
  vòng bi bánh xe Bánh xe trang bị vòng bi bi
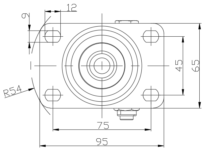
  Quy cách tấm lắp 95 x 65mm 
  khoảng cách các lỗ trên tấm nền 75 x 45mm 
  Khoảng cách các lỗ lắp 12 x 9mm 
  Độ lệch tâm 17mm 
  Sự can thiệp quay 108mm 
  Tổng chiều cao 74mm 
  Bán kính xoay 54mm 
  Độ cứng 75±5° Shore D 
  Tải trọng (động) 200kgs 


  Độ di chuyển mượt mà 
    ● ● ● ● ●

  Chế độ im lặng        ● ● ○ ○ ○

  Bảo vệ mặt sàn       ● ● ○ ○ ○

  Tải trọng (tĩnh) 300kgs 
  Nhiệt độ -20°C to +80°C 
  Càng bánh xe Xoay 
  Thép không gỉ N/A
  Dẫn điện N/A 
  Chống tĩnh điện N/A 
  Trọng lượng bánh xe đẩy 0.63kgs 
  Tiêu chuẩn kiểm nghiệm ISO22883
  
  
  © Bản quyền thuộc về 2026 DershengInternational www.dersheng.com
Sản phẩm liên quan
1109 Series — BÁNH XE LÙN (Trọng tâm thấp)
Lốp MRC (đen), đường kính lốp × chiều rộng lốp 50 x 45mm
YJ-11090200051033
50 mm 200 Kgs 74 mm
Bánh xe cố định, đế chân hàn - lỗ cao cấp
Bề mặt mạ kẽm, thiết bị lắp đế
Lõi bánh xe và bề mặt bánh xe bằng nhựa nhiệt dẻo
Đen, ổ trục bánh xe - bi chính xác.