Bảng dữ liệu sản phẩm
1109 Series — BÁNH XE LÙN (Trọng tâm thấp)
  Lốp QPU (đáy nâu) đường kính lốp × chiều rộng lốp 62.5 x 45mm
  EAN
         
  YJ-11090250531023    
Bánh xe cố định, chân hàn với các lỗ cao cấp
Hoàn thiện mạ kẽm, lắp trên đế
Lõi thép, mặt đế bằng polyurethane chất lượng cao
Vòng bi bánh xe màu nâu—vòng bi chính xác.
  Bề mặt bánh xe: polyurethane chất lượng cao
  Lõi bánh xe: lõi sắt

    Mô tả sản phẩm chỉ mang tính chất tham khảo. Sản phẩm thực tế sẽ được ưu tiên.



     
      đơn vị mét đế quốc
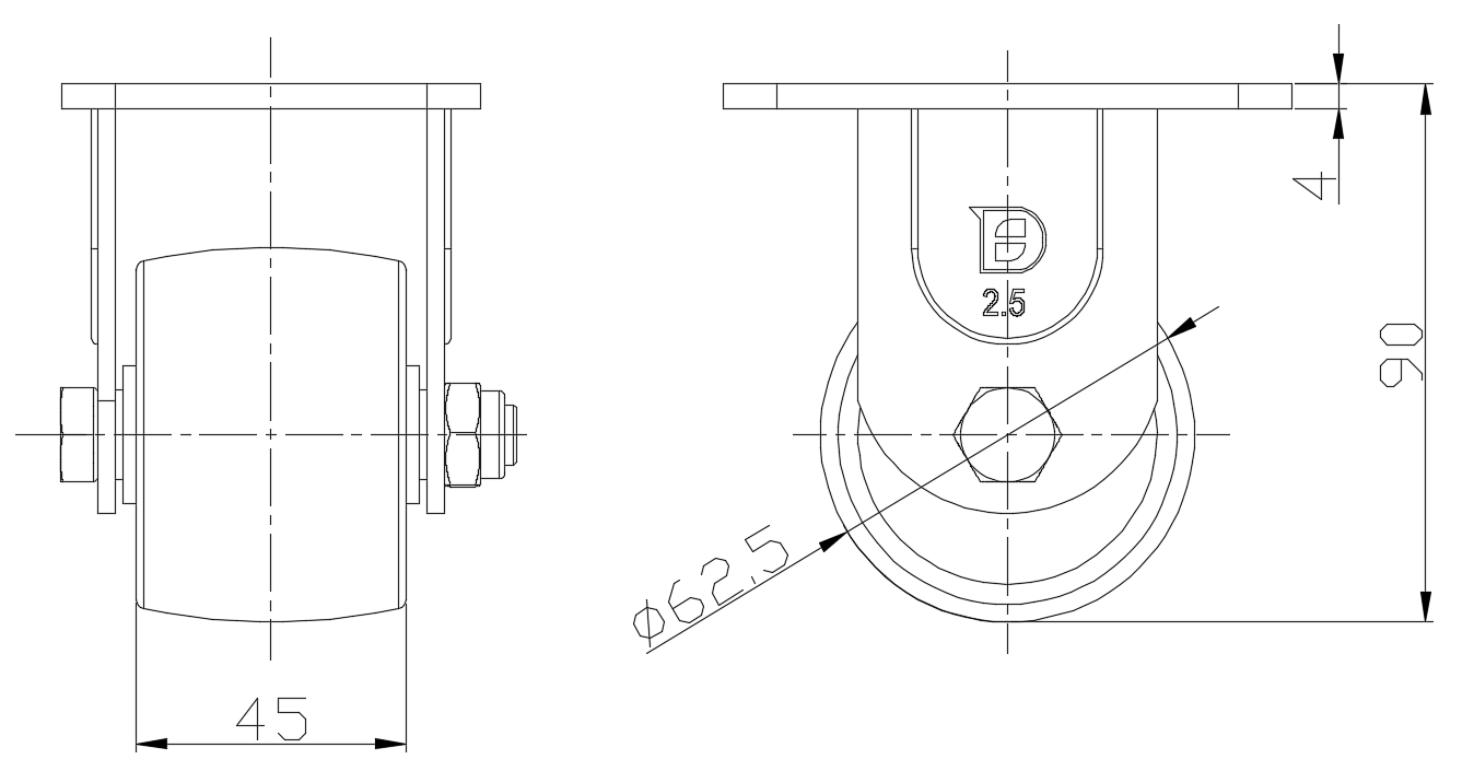
  Đường kính bánh xe 62.5mm 

  Chiều rộng bánh xe 45mm 
  vòng bi bánh xe Bánh xe trang bị vòng bi bi
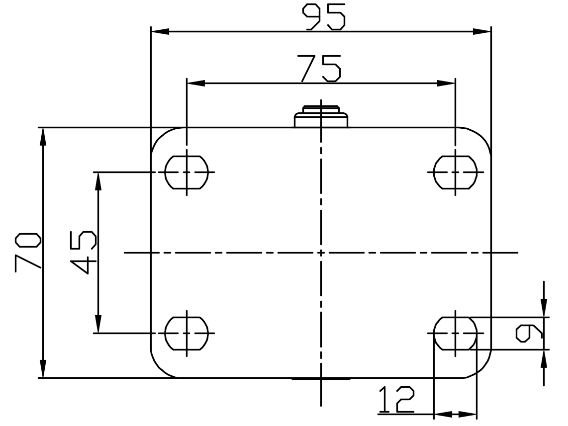
  Quy cách tấm lắp 95 x 70mm 
  khoảng cách các lỗ trên tấm nền 75 x 45mm 
  Khoảng cách các lỗ lắp 12 x 9mm 
  Tổng chiều cao 90mm 
  Độ cứng 92±5° Shore A 
  Tải trọng (động) 300kgs 


  Độ di chuyển mượt mà 
    ● ● ● ● ●

  Chế độ im lặng        ● ● ● ● ●

  Bảo vệ mặt sàn       ● ● ● ● ●

  Tải trọng (tĩnh) 450kgs 
  Nhiệt độ -20°C to +70°C 
  Càng bánh xe Cố định 
  Thép không gỉ N/A
  Dẫn điện N/A 
  Chống tĩnh điện N/A 
  Trọng lượng bánh xe đẩy 0.9kgs 
  Tiêu chuẩn kiểm nghiệm ISO22883
  
  
  © Bản quyền thuộc về 2026 DershengInternational www.dersheng.com
Sản phẩm liên quan
1109 Series — BÁNH XE LÙN (Trọng tâm thấp)
Lốp QPU (đáy nâu) đường kính lốp × chiều rộng lốp 62.5 x 45mm
YJ-11090250534023
62.5 mm 400 Kgs 90 mm
Bánh xe có phanh bên và hệ thống khóa. Đế bánh xe được tán đinh và dập lỗ cao cấp.
Hoàn thiện mạ kẽm, lắp đế bánh xe.
Lõi bánh xe bằng sắt, gai polyurethane chất lượng cao.
Màu nâu, vòng bi bánh xe—vòng bi chính xác.