|
||||||
![]() |
Bảng dữ liệu sản phẩm |
![]() |
![]() |
![]() |
||
1109 Series — BÁNH XE LÙN (Trọng tâm thấp) |
![]() |
![]() |
||||
Lốp MRC (đen), đường kính lốp × chiều rộng lốp 75 x 45 mm |
![]() |
![]() |
||||
EAN |
![]() |
|||||
YJ-11090300056933 |
![]() |
|||||
![]() |
![]() |
|||||
Bánh xe có phanh bên và hệ thống khóa. Đế dập đinh tán ren – M16-P2
Hoàn thiện mạ kẽm, lắp ren Lõi bánh xe và gai bánh xe bằng nhựa nhiệt dẻo Đen, vòng bi bánh xe – vòng bi bi chính xác. |
![]() |
|||||
![]() |
![]() |
|||||
Bề mặt bánh xe: Nhựa nhiệt dẻo (PA6) Lõi bánh xe: Nhựa nhiệt dẻo (PA6) Mô tả sản phẩm chỉ mang tính chất tham khảo. Sản phẩm thực tế sẽ được ưu tiên. |
![]() |
|||||
![]() |
![]() |
|||||
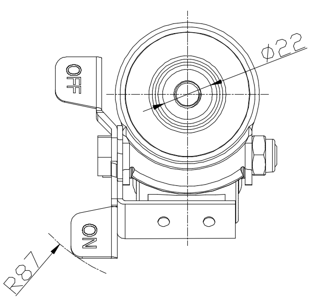
![]() đơn vị mét đế quốc
Đường kính bánh xe
75mm
Chiều rộng bánh xe
45mm
|
![]() |
![]() |
||||
vòng bi bánh xe
Bánh xe trang bị vòng bi bi
Thông số kỹ thuật của ren
M16-P2
độ dài ren
29mm
Độ lệch tâm
31mm
Sự can thiệp quay
174mm
Tổng chiều cao
98.5mm
Bán kính xoay
87mm
Độ cứng
75±5° Shore D
Tải trọng (động)
300kgs
|
Độ di chuyển mượt mà ● ● ● ● ● Chế độ im lặng ● ● ○ ○ ○ Bảo vệ mặt sàn ● ● ○ ○ ○ |
|||||
Tải trọng (tĩnh)
450kgs
Nhiệt độ
-20°C to +80°C
Càng bánh xe
Khóa bên
|
![]() |
|||||
Thép không gỉ
N/A
Dẫn điện
N/A
Chống tĩnh điện
N/A
Trọng lượng bánh xe đẩy
0.81kgs
Tiêu chuẩn kiểm nghiệm
ISO22883
|
![]() |
![]() |
||||
![]() |
![]() |
|||||
![]() |
![]() |
|||||
![]() |
![]() |
|||||
![]() |
![]() |
|||||
© Bản quyền thuộc về 2025 DershengInternational www.dersheng.com |