1110-YOYO 优优轮系列
  优优轮片(白深灰) 轮径 × 轮宽 100 x 22mm
  EAN
         
  YJ-11100400248143    
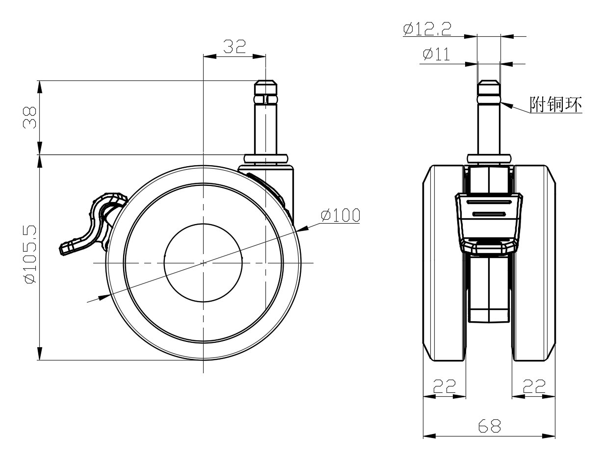
配有单煞式锁定系统的脚轮,插心铆合注塑轮架—∅11x38L
聚丙烯增强料轮架,插心式安装装置
聚丙烯(PP)轮芯,聚氯乙烯(PVC)轮面
白深灰色,轮子轴承—精密滚珠。
  轮面:PVC 聚氯乙烯
  轮芯:PP 聚丙烯

    产品说明仅供参考一切以实体产品为主



     
      公制 英制
  轮径 100mm 
  轮宽 68mm 
  轮子轴承 搭配滚珠轴承的轮子 
  插杆直径 11mm 
  插杆长度 38mm 
  偏心距 32mm 
  旋转干涉 212mm 
  总高 105.5mm 
  旋转半径 106mm 
  硬度 95±5° Shore A 
  荷重(动态) 100kgs 


  滚动顺畅
      ● ● ● ● ●

  静音表现      ● ● ● ● ●

  保护地板      ● ● ● ● ●

  荷重(静态) 150kgs 
  温度 -20°C to +60°C 
  脚架样式 单煞
  不锈钢
  导电 否 
  抗静电 否 
  脚轮重量 0.51kgs 
  测试标准 ISO22883
  
  
  © 版权所有 2025 得貹上好轮 www.dersheng.com


            關  聯  產  品



  1110-YOYO 优优轮系列
   优优轮片(白深灰) 轮径 × 轮宽 100 x 22mm

     
   YJ-11100400247063    

         100 mm         100 Kgs         105.5 mm    

活动式脚轮,插心铆合注塑轮架—∅11x38L
聚丙烯增强料轮架,插心式安装装置
聚丙烯(PP)轮芯,聚氯乙烯(PVC)轮面
白深灰色,轮子轴承—精密滚珠。