Product Data Sheet
1110-YOYO YOYO Series-Light Duty Twin Wheel Caster Series (All Plastic)
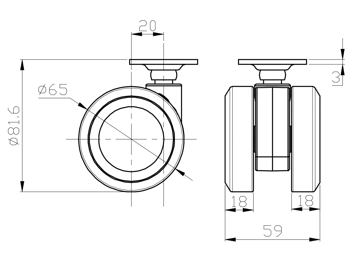
  Yoyo Wheel (black dark gray) Wheel Diameter x Wheel Width 65 x 18mm
  EAN
         
  YJ-11100250242033    
Swivel Caster with injection-molded Fork Riveted to Top Plate. reinforced Polypropylene Fork, Top Plate (3T) Mounting Type system Polypropylene (PP) core, polyvinyl chloride (PVC) tread Dark gray, Anti-thread wheel cover.
  Wheel Tread: PVC polyvinyl chloride
  Wheel Center: PP polypropylene

    Drawings are for reference only and may differ from the product



     
      Metric Imperial
  Wheel Diameter 65mm 

  Wheel Width 59mm 
  Wheel Bearing Wheel With Plain Bearing
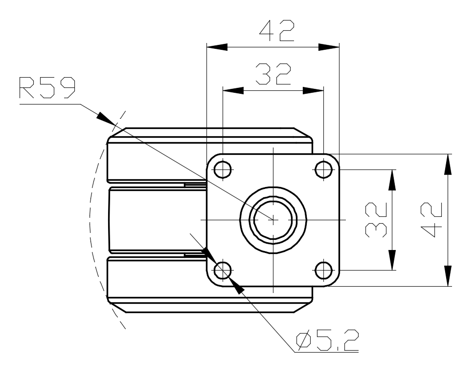
  Plate Size 42 x 42mm 
  Bolt Hole Spacing 32 x 32mm 
  Plate Hole 5.2mm 
  Offset 20mm 
  Swivel Interference 118mm 
  Overall Height 81.6mm 
  Swivel Radius 59mm 
  Hardness Of Tread 95±5° Shore A 
  Load Capacity (Dynamic) 45kgs 


  Rolling Resistance
        ● ● ● ● ●

  Operating Noise        ● ● ● ● ●

  Floor Surface Preservation  ● ● ● ● ●

  Load Capacity (Static) 67.5kgs 
  Temperature -20°C to +60°C 
  Fork Type Swivel Caster 
  Stainless N/A
  Electrical Conductivity N/A 
  Anti-Static N/A 
  Weight 0.21kgs 
  Standard ISO22883
  
  
  © Copyright 2026 DershengInternational www.dersheng.com
Related  Products  
1110-YOYO YOYO Series-Light Duty Twin Wheel Caster Series (All Plastic)
Yoyo Wheel (black dark gray) Wheel Diameter x Wheel Width 65 x 18mm
YJ-11100250244063
65 mm 45 Kgs 81.6 mm
Single Brake locking system and a Fork-Riveted, injection-molded Fork. reinforced Polypropylene Fork with Fork-mount (3T) Mounting Type system Polypropylene (PP) Wheel Center, polyvinyl chloride (PVC) tread Dark gray, Anti-thread wheel cover.