產品資料表
1110-YOYO 優優輪系列
  優優輪片(黑深灰) 輪徑 × 輪寬 100 x 22mm
  EAN
         
  YJ-11100400246343    
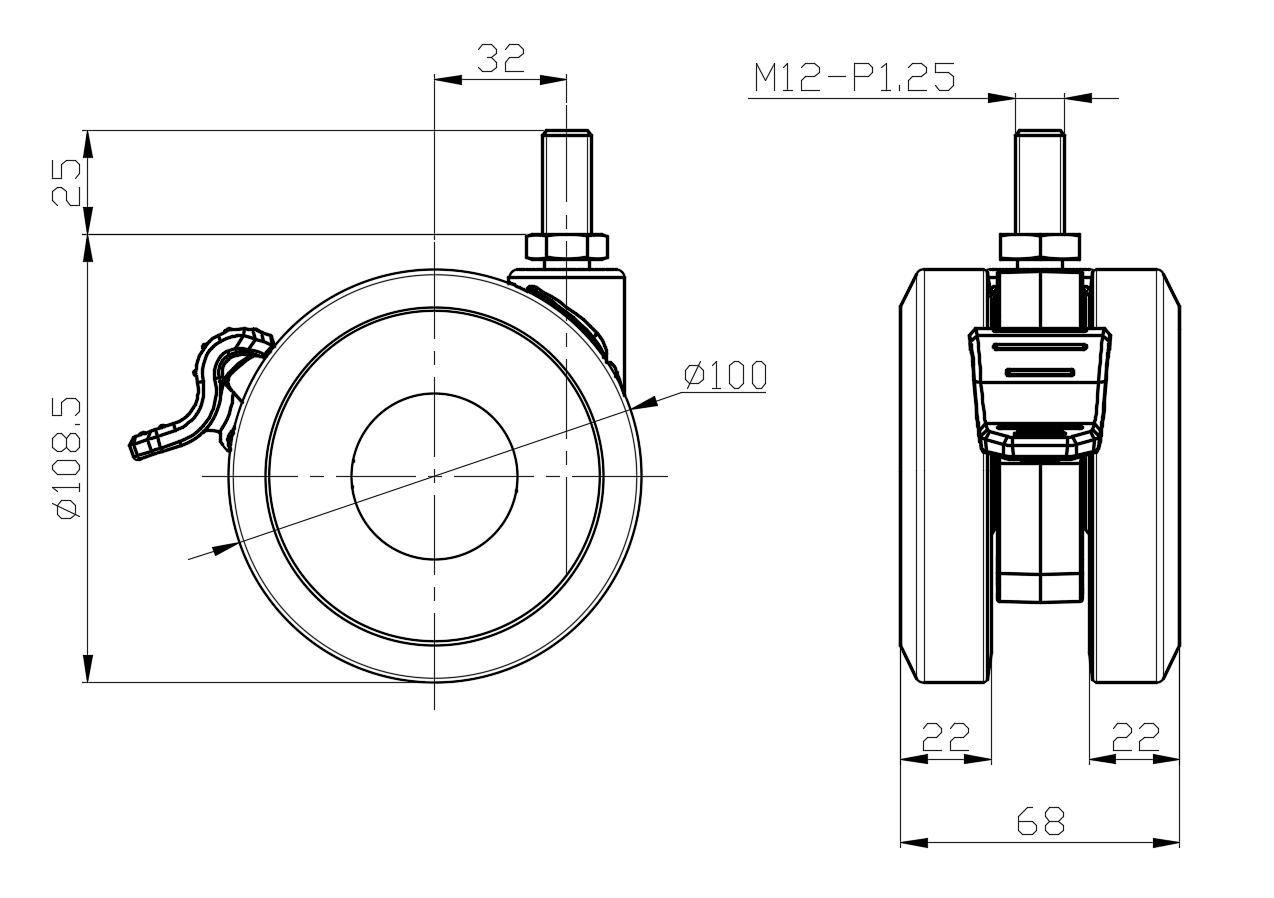
配有單煞鎖定系統的腳輪,牙心鉚合注塑輪架—M12-P1.75 聚丙烯增強料輪架,絲扣式安裝裝置 聚丙烯(PP)輪芯,聚氯乙烯(PVC)輪面 黑深灰色,輪子軸承—精密滾珠。
  輪面:PVC 聚氯乙烯
  輪芯:PP 聚丙烯

    產品說明僅供參考一切以實體產品為主



     
      公制 英制
  輪徑 100mm 

  輪寬 68mm 
  輪子軸承 搭配滾珠軸承的輪子 
  絲扣規格 M12-P1.75
  絲扣長度 25mm
  偏心距 32mm 
  旋轉干涉 212mm 
  總高 108.5mm 
  旋轉半徑 106mm 
  硬度 95±5° Shore A 
  荷重(動態) 100kgs 


  滾動順暢
      ● ● ● ● ●

  靜音表現      ● ● ● ● ●

  保護地板      ● ● ● ● ●

  荷重(靜態) 150kgs 
  溫度 -20°C to +60°C 
  腳架樣式 單煞
  不銹鋼
  導電 否 
  抗靜電 否 
  腳輪重量 0.52kgs 
  測試標準 ISO22883
  
  
  © 版權所有 2026 得貹上好輪 www.dersheng.com
關  聯  產  品
1110-YOYO 優優輪系列
優優輪片(黑深灰) 輪徑 × 輪寬 100 x 22mm
YJ-11100400245143
100 mm 100 Kgs 108.5 mm
活動式腳輪,牙心鉚合注塑輪架—M12-P1.75 聚丙烯增強料輪架,絲扣式安裝裝置 聚丙烯(PP)輪芯,聚氯乙烯(PVC)輪面 黑深灰色,輪子軸承—精密滾珠。