Bảng dữ liệu sản phẩm
1110-YOYO Series — BÁNH XE YOYO (Bánh xe đôi càng nhựa)
  Bánh xe Yoyo (đen đậm xám) Đường kính bánh xe × Chiều rộng bánh xe 72.8 x 20mm
  EAN
         
  YJ-11100300244143    
Bánh xe với hệ thống khóa phanh đơn và khung đúc phun, có đinh tán ở đế.
Khung gia cố bằng polypropylen với hệ thống lắp đế (3T)
Lõi bánh xe bằng polypropylen (PP), gai bánh xe bằng polyvinyl clorua (PVC)
Bánh xe ống giữa màu xám đậm.
  Bề mặt bánh xe: PVC polyvinyl clorua
  Lõi bánh xe: PP polypropylene

    Mô tả sản phẩm chỉ mang tính chất tham khảo. Sản phẩm thực tế sẽ được ưu tiên.



     
      đơn vị mét đế quốc
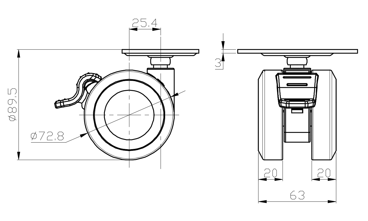
  Đường kính bánh xe 72.8mm 

  Chiều rộng bánh xe 63mm 
  vòng bi bánh xe Bánh xe đi kèm với ống giữa
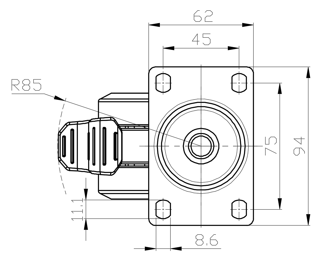
  Quy cách tấm lắp 94 x 62mm 
  khoảng cách các lỗ trên tấm nền 75 x 45mm 
  Khoảng cách các lỗ lắp 11.1 x 8.6mm 
  Độ lệch tâm 25.4mm 
  Sự can thiệp quay 170mm 
  Tổng chiều cao 89.5mm 
  Bán kính xoay 85mm 
  Độ cứng 95±5° Shore A 
  Tải trọng (động) 45kgs 


  Độ di chuyển mượt mà 
    ● ● ● ● ●

  Chế độ im lặng        ● ● ● ● ●

  Bảo vệ mặt sàn       ● ● ● ● ●

  Tải trọng (tĩnh) 67.5kgs 
  Nhiệt độ -20°C to +60°C 
  Càng bánh xe Khóa đơn
  Thép không gỉ N/A
  Dẫn điện N/A 
  Chống tĩnh điện N/A 
  Trọng lượng bánh xe đẩy 0.36kgs 
  Tiêu chuẩn kiểm nghiệm ISO22883
  
  
  © Bản quyền thuộc về 2026 DershengInternational www.dersheng.com
Sản phẩm liên quan
1110-YOYO Series — BÁNH XE YOYO (Bánh xe đôi càng nhựa)
Bánh xe Yoyo (đen đậm xám) Đường kính bánh xe × Chiều rộng bánh xe 72.8 x 20mm
YJ-11100300242073
72.8 mm 45 Kgs 89.5 mm
Bánh xe xoay với khung đúc phun, được tán đinh vào đế.
Khung gia cố bằng polypropylen, hệ thống lắp đế (3T)
Lõi polypropylen (PP), mặt đế bằng polyvinyl clorua (PVC)
Bánh xe ống giữa màu xám đậm.