Bảng dữ liệu sản phẩm
1110-2 Series — BÁNH XE NỘI THẤT
  Bánh xe tinh thạch (đen trong suốt) đường kính × chiều rộng bánh xe 48 × 23.5mm
  EAN
         
  YJ-11100200954014    
Bánh xe với cơ cấu phanh và khóa đơn. Đế bánh xe có chân đinh tán, dập và lỗ hình chữ D.
Bề mặt mạ điện, lắp đế bánh xe.
Lõi bánh xe bằng polypropylen với gai polyurethane chất lượng cao.
Hoàn thiện màu đen trong mờ. Vòng bi bánh xe với vòng bi bi chính xác.
  Bề mặt bánh xe: polyurethane chất lượng cao
  Lõi bánh xe: Polypropylene

    Mô tả sản phẩm chỉ mang tính chất tham khảo. Sản phẩm thực tế sẽ được ưu tiên.



     
      đơn vị mét đế quốc
  Đường kính bánh xe 48mm 

  Chiều rộng bánh xe 23.5mm 
  vòng bi bánh xe Bánh xe trang bị vòng bi bi
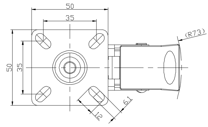
  Quy cách tấm lắp 50 x 50mm 
  khoảng cách các lỗ trên tấm nền 35 x 35mm 
  Khoảng cách các lỗ lắp 12 x 6.1mm 
  Độ lệch tâm 20mm 
  Sự can thiệp quay 146mm 
  Tổng chiều cao 67mm 
  Bán kính xoay 73mm 
  Độ cứng 80±5° Shore A 
  Tải trọng (động) 30kgs 


  Độ di chuyển mượt mà 
    ● ● ● ● ●

  Chế độ im lặng        ● ● ● ● ●

  Bảo vệ mặt sàn       ● ● ● ● ●

  Tải trọng (tĩnh) 45kgs 
  Nhiệt độ -20°C to +70°C 
  Càng bánh xe Khóa đơn
  Thép không gỉ N/A
  Dẫn điện N/A 
  Chống tĩnh điện N/A 
  Trọng lượng bánh xe đẩy 0.22kgs 
  Tiêu chuẩn kiểm nghiệm ISO22883
  
  
  © Bản quyền thuộc về 2026 DershengInternational www.dersheng.com
Sản phẩm liên quan
1110-2 Series — BÁNH XE NỘI THẤT
Bánh xe tinh thạch (đen trong suốt) đường kính × chiều rộng bánh xe 48 × 23.5mm
YJ-11100200952014
48 mm 30 Kgs 67 mm
Bánh xe xoay với đế đinh tán và đế dập có lỗ hình chữ D.
Bề mặt mạ điện, lắp đặt trên đế.
Lõi Polypropylene với mặt đế bằng polyurethane chất lượng cao.
Hoàn thiện màu đen trong mờ. Vòng bi bánh xe: vòng bi bi chính xác.