产品资料表
1111 高级系列
  全效轮(珠光深灰色) 轮径 × 轮宽 100 x 31mm
  EAN
         
  YJ-11110400454033    
配有(180°)定向活动式脚轮,底板铆合冲压脚架—高级孔
表面镀锌,底板式安装装置
耐冲击聚丙烯轮芯,热塑性弹性体(TPR)轮面
珠光深灰色,轮子轴承 — 精密滚珠。
  轮面:热塑性橡胶弹性体(TPR)
  轮芯:採用优质耐冲击聚丙烯

    产品说明仅供参考一切以实体产品为主



     
      公制 英制
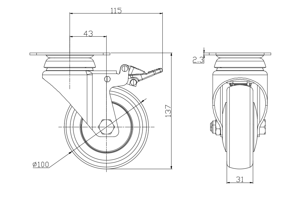
  轮径 100mm 
  轮宽 31mm 
  轮子轴承 搭配滚珠轴承的轮子 
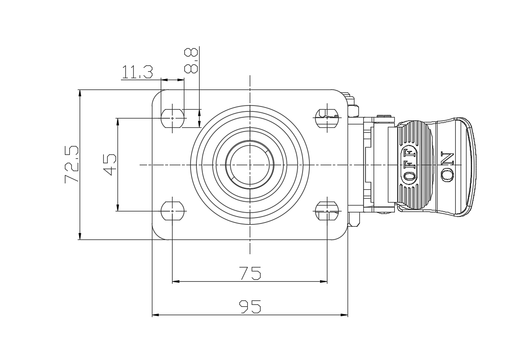
  底板规格 95 x 72.5mm 
  底板孔距 75 x 45mm   
  底板孔径 11.3 x 8.8mm 
  偏心距 43mm 
  旋转干涉 230mm 
  总高 137mm 
  旋转半径 115mm 
  硬度 72±5° Shore A 
  荷重(动态) 135kgs 


  滚动顺畅
      ● ● ● ● ●

  静音表现      ● ● ● ● ●

  保护地板      ● ● ● ● ●

  荷重(静态) 202.5kgs 
  温度 -20°C to +60°C 
  脚架样式 定向煞
  不锈钢
  导电 否 
  抗静电 否 
  脚轮重量 0.91kgs 
  测试标准 ISO22883
  
  
  © 版权所有 2025 得貹上好轮 www.dersheng.com


            關  聯  產  品



  1111 高级系列
   全效轮(珠光深灰色) 轮径 × 轮宽 100 x 31mm

     
   YJ-11110400451123    

         100 mm         135 Kgs         137 mm    

固定式脚轮,一体成型冲压脚架—高级孔
表面镀锌,底板式安装装置
耐冲击聚丙烯轮芯,热塑性弹性体(TPR)轮面
珠光深灰色,轮子轴承 — 精密滚珠。