产品资料表
1112 长珠系列
  PPR轮(灰) 轮径 × 轮宽 200 x 50mm
  EAN
  TW-4111208004035    
         
配有前煞式,锁定系统的脚轮。焊接钢板架 表面镀锌,底板式安装装置 耐冲击聚丙烯轮芯,热塑性弹性体(TPR)轮面 灰色,轮子轴承—精密长珠。
  轮面:热塑性橡胶弹性体(TPR)
  轮芯:采用优质耐冲击聚丙烯

    产品说明仅供参考一切以实体产品为主



     
      公制 英制
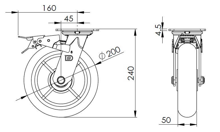
  轮径 200mm 

  轮宽 50mm 
  轮子轴承 搭配精密长珠轴承的轮子
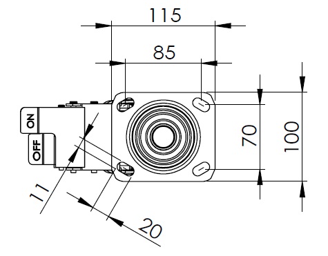
  底板规格 115 x 100mm 
  底板孔距 85 x 70mm   
  底板孔径 20 x 11mm 
  偏心距 45mm 
  旋转干涉 320mm 
  总高 240mm 
  旋转半径 145mm 
  硬度 82±5° Shore A 
  荷重(动态) 185kgs 


  滚动顺畅
      ● ● ● ● ○

  静音表现      ● ● ● ● ○

  保护地板      ● ● ● ● ●

  荷重(静态) 278kgs 
  温度 -20°C to +60°C 
  脚架样式 前煞
  不锈钢
  导电 否 
  抗静电 否 
  脚轮重量 3.0kgs 
  测试标准 ISO22883
  
  
  © 版权所有 2026 得貹上好轮 www.dersheng.com
关  联  产  品
1112 长珠系列
PPR轮(灰) 轮径 × 轮宽 200 x 50mm
TW-4111208001030
200 mm 185 Kgs 240 mm
固定式脚轮,焊接钢板架
表面镀锌,底板式安装装置
耐冲击聚丙烯轮芯,热塑性弹性体(TPR)轮面
灰色,轮子轴承—精密长珠。
1112 长珠系列
PPR轮(灰) 轮径 × 轮宽 200 x 50mm
TW-4111208001031
200 mm 185 Kgs 240 mm
固定式脚轮,焊接钢板架
表面镀锌,底板式安装装置-无Logo
耐冲击聚丙烯轮芯,热塑性弹性体(TPR)轮面
灰色,轮子轴承—精密长珠。
1112 长珠系列
PPR轮(灰) 轮径 × 轮宽 200 x 50mm
TW-4111208004036
200 mm 185 Kgs 240 mm
配有前煞式,锁定系统的脚轮。焊接钢板架 表面镀锌,底板式安装装置-无商标.侧孔.油嘴 耐冲击聚丙烯轮芯,热塑性弹性体(TPR)轮面 灰色,轮子轴承—精密长珠。