Product Data Sheet
1112 2" Wide General Purposes Caster Series
  PPU (red) Wheel Diameter × Wheel Width 127 x 50mm
  EAN
  TW-4111205001006    
         
Rigid castor, Welded Caster Fork Surface Zine-Plated, Mounting Type - Top Plate High-quality Impact Resistance Polypropylene Wheel Center, High-Quality Thermoplastic Polyurethanes (TPU) wheel tread Red, Bearing - Ball Bearing.
  Wheel Tread: high quality thermoplastic rubber polyurethane (TPU)
  Wheel Center: Made of high-quality impact-resistant polypropylene

    Drawings are for reference only and may differ from the product



     
      Metric Imperial
  Wheel Diameter 127mm 

  Wheel Width 50mm 
  Wheel Bearing Wheels With Ball Bearings
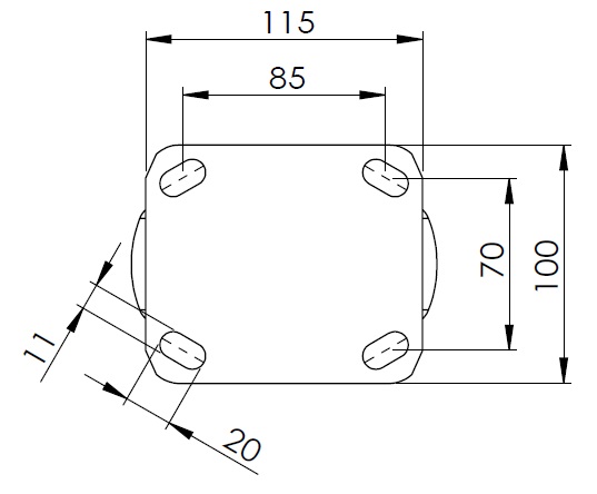
  Plate Size 115 x 100mm 
  Bolt Hole Spacing 85 x 70mm 
  Plate Hole 20 x 11mm 
  Overall Height 167mm 
  Hardness Of Tread 94±5° Shore A 
  Load Capacity (Dynamic) 250kgs 


  Rolling Resistance
        ● ● ● ● ○

  Operating Noise        ● ● ● ● ○

  Floor Surface Preservation  ● ● ● ● ○

  Load Capacity (Static) 375kgs 
  Temperature -20°C to +70°C 
  Fork Type Rigid Caster 
  Stainless N/A
  Electrical Conductivity N/A 
  Anti-Static N/A 
  Weight 1.80kgs 
  Standard ISO22883
  
  
  © Copyright 2026 DershengInternational www.dersheng.com
Related  Products  
1112 2" Wide General Purposes Caster Series
PPU (red) Wheel Diameter × Wheel Width 127 x 50mm
TW-4111205002007
127 mm 250 Kgs 167 mm
Swivel Caster with Welded Caster Fork Zine-Plated, Mounting Type - Top Plate (with plastic cover) High-quality Impact Resistance Polypropylene Wheel Center, thermoplastic polyurethane (TPU) tread Red, Bearing—Ball Bearing.