Product Data Sheet
1112 2" Wide General Purposes Caster Series
  PPR (grey) Wheel Diameter × Wheel Width 152 x 50.5mm
  EAN
  TW-4111206002037    
         
Swivel Caster with Welded Caster Fork Zine-Plated, Mounting Type - Top Plate (with grease nipple) High-quality Impact Resistance Polypropylene Wheel Center with High-Quality Thermoplastic Rubber (TPR) tread Gray, Bearing—precision long bead.
  Wheel tread: Thermoplastic rubber elastomer (TPR)
  Wheel Center: Made of high-quality impact-resistant polypropylene

    Drawings are for reference only and may differ from the product



     
      Metric Imperial
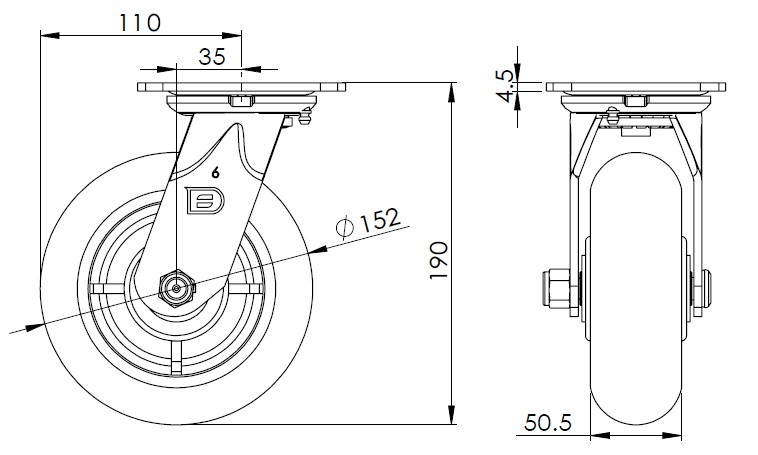
  Wheel Diameter 152mm 

  Wheel Width 50.5mm 
  Wheel Bearing Wheel With Annual Ball Bearing
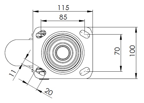
  Plate Size 115 x 100mm 
  Bolt Hole Spacing 85 x 70mm 
  Plate Hole 20 x 11mm 
  Offset 35mm 
  Swivel Interference 220mm 
  Overall Height 190mm 
  Swivel Radius 110mm 
  Hardness Of Tread 82±5° Shore A 
  Load Capacity (Dynamic) 160kgs 


  Rolling Resistance
        ● ● ● ● ○

  Operating Noise        ● ● ● ● ○

  Floor Surface Preservation  ● ● ● ● ●

  Load Capacity (Static) 240kgs 
  Temperature -20°C to +60°C 
  Fork Type Swivel Caster 
  Stainless N/A
  Electrical Conductivity N/A 
  Anti-Static N/A 
  Weight 2.0kgs 
  Standard ISO22883
  
  
  © Copyright 2026 DershengInternational www.dersheng.com
Related  Products  
1112 2" Wide General Purposes Caster Series
PPR (grey) Wheel Diameter × Wheel Width 152 x 50.5mm
TW-4111206001040
152 mm 160 Kgs 190 mm
Rigid Caster with Welded Caster Fork Zine-Plated, Mounting Type - Top Plate High-quality Impact Resistance Polypropylene Wheel Center with High-Quality Thermoplastic Rubber (TPR) tread Gray, Bearing—precision long bead.
1112 2" Wide General Purposes Caster Series
PPR (grey) Wheel Diameter × Wheel Width 152 x 50.5mm
TW-4111206004038
152 mm 160 Kgs 190 mm
Caster with Side Brake and With locking system. Welded Caster Fork. Zine-Plated. Mounting Type - Top Plate (with grease nipple). High-Quality Impact-Resistant Polypropylene Wheel Center with High-Quality Reinforced Polypropylene Rubber (TPR) Wheel Tread. Dark gray. Bearings—Annual Ball Bearing.