| 
				 | 
						產品數據表 | 
			  
				 |  
			
				
				 
			 | 
			
				 | 
		||
| 1112 長珠系列 | 
				 
			 | 
			
				 | 
		||||
| W全效輪 輪徑 × 輪寬 100 x 50mm | 
				
				
			     
			     | 
			
				 | 
		||||
| EAN | 
				 | 
		|||||
| 
			  TW-4111204004028
			    | 
		
			
				 | 
		|||||
| 
				 | 
			
				 | 
		|||||
| 配有前煞式,鎖定系統的腳輪。焊接鋼板架 表面鍍鋅,底板式安裝裝置 加強式耐衝擊聚丙烯輪芯,熱塑性彈性體(TPR)輪面 灰色,輪子軸承—精密長珠。 | 
				 | 
		|||||
| 
				 | 
			
				 | 
		|||||
|   輪面:熱塑性橡膠彈性體(TPR)				 輪芯:採用優質耐衝擊聚丙烯 產品說明僅供參考一切以實體產品為主  | 
															
				 | 
		|||||
| 
				
								 | 
			
				 | 
		|||||
			
							 
            												
				
				
				
					                																
												
																				                				
				
																												
																																								
																												
																												
																																
												
																												
																												
																																
																												
				
												
																												
																												
																																																								
																																																				
																																																																												
				
																				
																				
																				
								公制 英制 
				  輪徑
			
								
												
                 				 
				100mm 
				
								
			
																
				 
								
				
				
				  輪寬
				
								
								
							 
			    
				50mm 
				
																				 
								
				
			 | 
            
					
				
				
								 
            												
			 | 			
	   			
				 | 
		||||
| 
			
																												
																												
																																																				
								 
				  輪子軸承
								
								
							  
				搭配精密長珠軸承的輪子
																				 
								
				
								
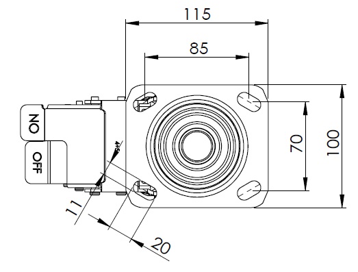
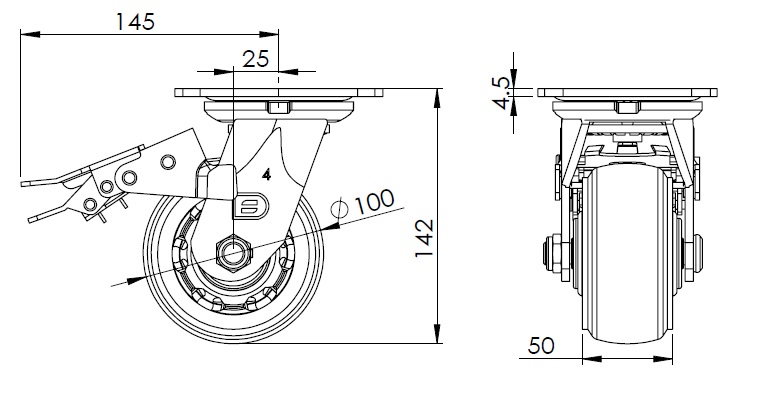
				  底板規格
								                
												
               											  
				115 x 100mm  
																																
				 
												
					  底板孔距
										
															
													
				
																		
				85 x 70mm   
								
																
				
				
																
								 
			    								
					  底板孔徑
																									
										
				20 x 11mm 
				   				   				   				   				    
				    				 
				
								
					  偏心距
																									
										
				25mm 
																				 
												
					  旋轉干涉
																									
										
				290mm 
																				 
												
					  總高
																									
									142mm 
				                                                  				
				 
												
					  旋轉半徑
																														
				145mm 
																									 
												
					  硬度
																														
				 72±5° Shore A 
																									 
												
					  荷重(動態)
																														
				180kgs 
																									 
				
			 | 
			
			
			
				
																																																																																																								
				滾動順暢 ● ● ● ● ● 靜音表現 ● ● ● ● ● 保護地板 ● ● ● ● ●  | 			   			   			   			
			|||||
| 
								 
					  荷重(靜態)
																									
										
				270kgs 
				     					 					 					 					 
					  
								
								
					  溫度
																														
				 -20°C to +60°C 
				    																			 
					
								
     																																								
	 	
	 	
          			 
								
					  腳架樣式
																														
					前煞
																				 
				
			 | 
				
				
								 
            												
			 | 
			|||||
| 
				
				
																				
									
													
				                					
					
                					
								
				 
					  不銹鋼
																									
				    					否
				    				    				    				    					 
					
                 																																
									
													
													
													
								
                					
													
													
													
								
					  導電
																									
										否 
					
				    																				 
					
					
					
				  抗靜電	
									否 
					
				    																				 
								   
					  腳輪重量
																														
					2.60kgs 
																									
					 
												    
					  測試標準
																														ISO22883
					
																				  | 
							
			
			     
				
				 
				 | 
			
				 | 
		||||
				
								 
            																		
																					
																					
             													
            				
			
			 | 
		
			
				 | 
		|||||
			
				
				
							
								 				 | 
			
				 | 
			
		|||||
				
								
			
									  
           																			
																																																							   
				  
		   
			 | 
			
				 | 
			
		|||||
 				
			                    
								
			
					
							 
            																																																																							
			
								   
		   			
			 | 
			
				 | 
		|||||
| © 版權所有 2025 得貹上好輪 www.dersheng.com | ||||||