|
|
產品數據表 |
|
|
|
||
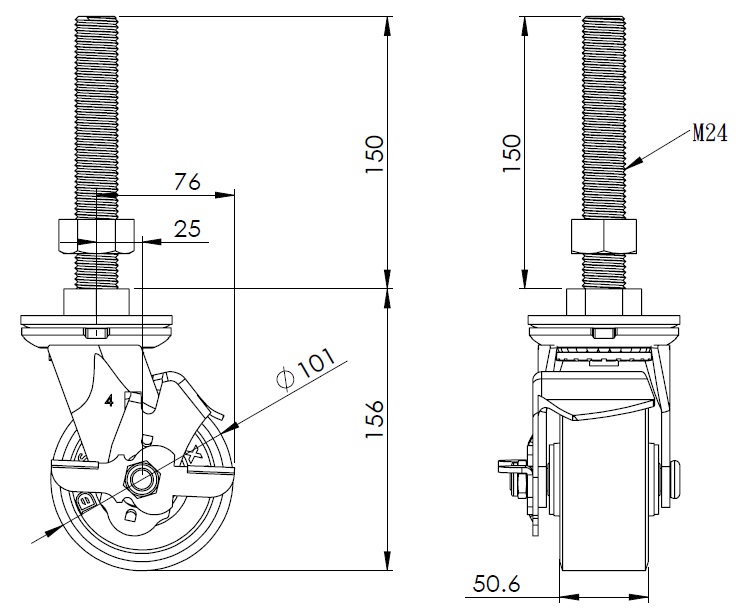
| 1112 長珠系列 |
|
|
||||
| PU輪(綠色) 輪徑 × 輪寬 101 x 50.6mm |
|
|
||||
| EAN |
|
|||||
|
TW-4111204004020
|
|
|||||
|
|
|
|||||
| 配有側(輪)煞式,鎖定系統的腳輪。牙心鉚合焊接鋼板架— M24 表面鍍鋅,底板式安裝裝置 鑄鐵輪芯、高品質聚氨酯輪面 綠色,輪子軸承—精密長珠。 |
|
|||||
|
|
|
|||||
| 輪面:高品質聚氨酯 輪芯:鐵芯/鑄鐵芯 產品說明僅供參考一切以實體產品為主 |
|
|||||
|
|
|
|||||
公制 英制
輪徑
101mm
輪寬
50.6mm
|
|
|
||||
|
輪子軸承
搭配精密長珠軸承的輪子
絲扣規格
M24
絲扣長度
150mm
偏心距
25mm
旋轉干涉
152mm
總高
156mm
旋轉半徑
76mm
硬度
92±5° Shore A
荷重(動態)
270kgs
|
滾動順暢 ● ● ● ○ ○ 靜音表現 ● ● ● ● ○ 保護地板 ● ● ● ● ○ |
|||||
|
荷重(靜態)
405kgs
溫度
-20°C to +70°C
腳架樣式
側煞(單)
|
|
|||||
|
不銹鋼
否
導電
否
抗靜電
否
腳輪重量
2.80kgs
測試標準
ISO22883
|
|
|
||||
|
|
|||||
|
|
|||||
|
|
|||||
|
|
|||||
| © 版權所有 2026 得貹上好輪 www.dersheng.com | ||||||