产品数据表
1112-1 強化長珠系列
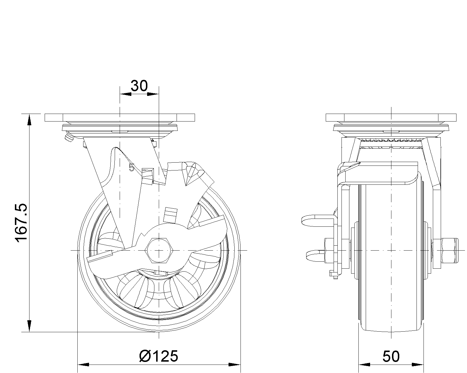
  W 全效輪(珠光淺灰)輪徑 × 輪寬 125 × 50mm
  A
      KS-11120501454031
         

側煞式的腳輪,焊接鋼板架,表面黑漆
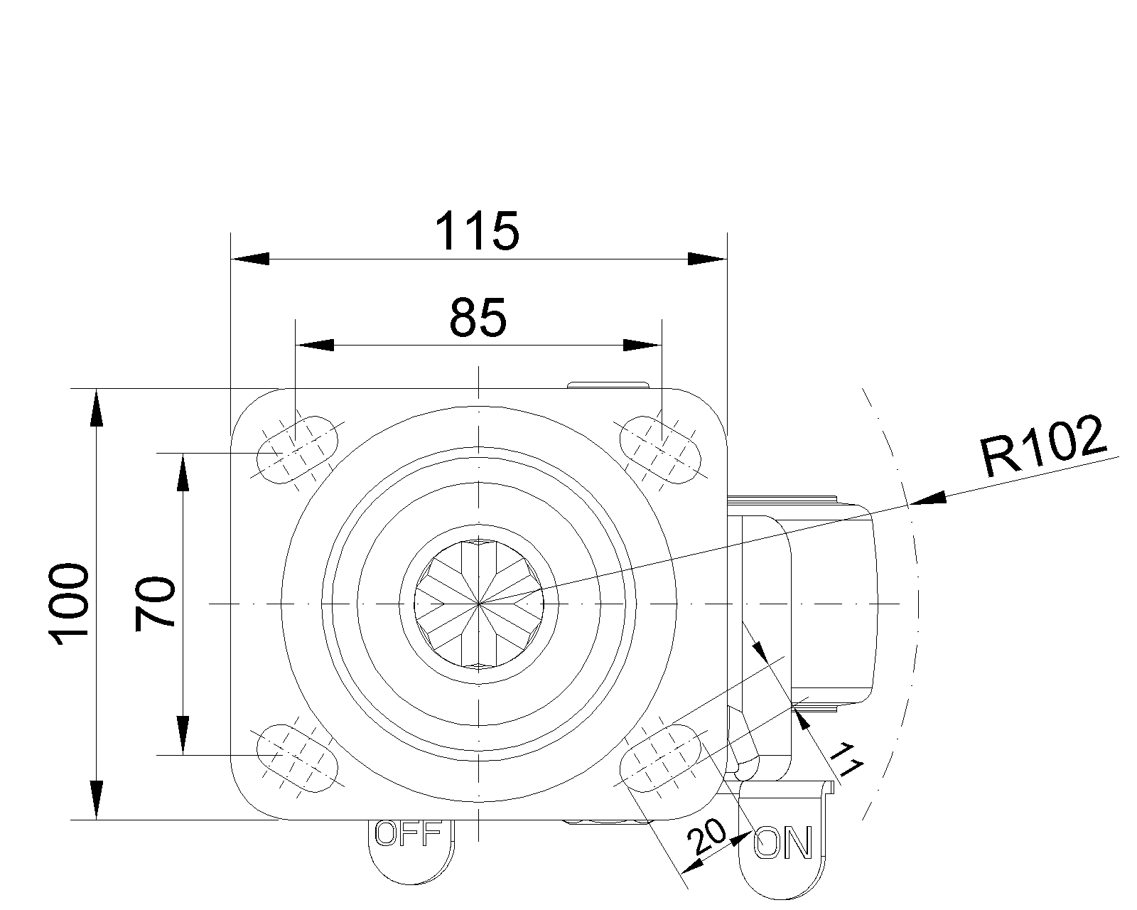
底板式安裝裝置,孔距85x70
熱塑性橡膠彈性體(TPR)
銑珠光淺灰色,輪子軸承—精密滾珠
  輪面:熱塑性橡膠彈性體(TPR)
  輪芯:優質耐衝擊聚丙烯

    產品說明僅供參考一切以實體產品為主



     
      公制 英制
  輪徑 125mm 

  輪寬 50mm 
  輪子軸承 搭配滾珠軸承的輪子 
  底板規格 115 x 100mm 
  底板孔距 85 x 70mm   
  底板孔徑 20 x 11mm 
  偏心距 30mm 
  旋轉干涉 204mm 
  總高 167.5mm 
  旋轉半徑 102mm 
  硬度 72±5° Shore A 
  荷重(動態) 340kgs 


  滾動順暢
      ● ● ● ● ●

  靜音表現      ● ● ● ● ●

  保護地板      ● ● ● ● ●

  荷重(靜態) 510kgs 
  溫度 -20°C to +60°C 
  腳架樣式 側煞(單)
  不銹鋼
  導電 否 
  抗靜電 否 
  腳輪重量 2.12kgs 
  測試標準 ISO22883
  
  
  © 版權所有 2026 得貹上好輪 www.dersheng.com
關  聯  產  品
1112-1 強化長珠系列
W 全效輪(珠光淺灰)輪徑 × 輪寬 125 × 50mm
KS-11120501452011
125 mm 340 Kgs 167.5 mm

活動式的腳輪,焊接鋼板架,表面黑漆
底板式安裝裝置,孔距85x70
熱塑性橡膠彈性體(TPR)
銑珠光淺灰色,輪子軸承—精密滾珠
1112-1 強化長珠系列
W 全效輪(珠光淺灰)輪徑 × 輪寬 125 × 50mm
KS-11120501454011
125 mm 340 Kgs 167.5 mm

前煞式的腳輪,焊接鋼板架,表面黑漆
底板式安裝裝置,孔距85x70
熱塑性橡膠彈性體(TPR)
銑珠光淺灰色,輪子軸承—精密滾珠
1112-1 強化長珠系列
W 全效輪(珠光淺灰)輪徑 × 輪寬 125 × 50mm
KS-11120501454021
125 mm 340 Kgs 167.5 mm

定向煞式的腳輪,焊接鋼板架,表面黑漆
底板式安裝裝置,孔距85x70
熱塑性橡膠彈性體(TPR)
銑珠光淺灰色,輪子軸承—精密滾珠
1112-1 強化長珠系列
W 全效輪(珠光淺灰)輪徑 × 輪寬 125 × 50mm
KS-11120500451713
125 mm 340 Kgs 166.5 mm

固定的腳輪,焊接鋼板架,表面黑漆
底板式安裝裝置,孔距85x70
熱塑性橡膠彈性體(TPR)
銑珠光淺灰色,輪子軸承—精密滾珠