产品数据表
1115 弹簧轮系列(常规)
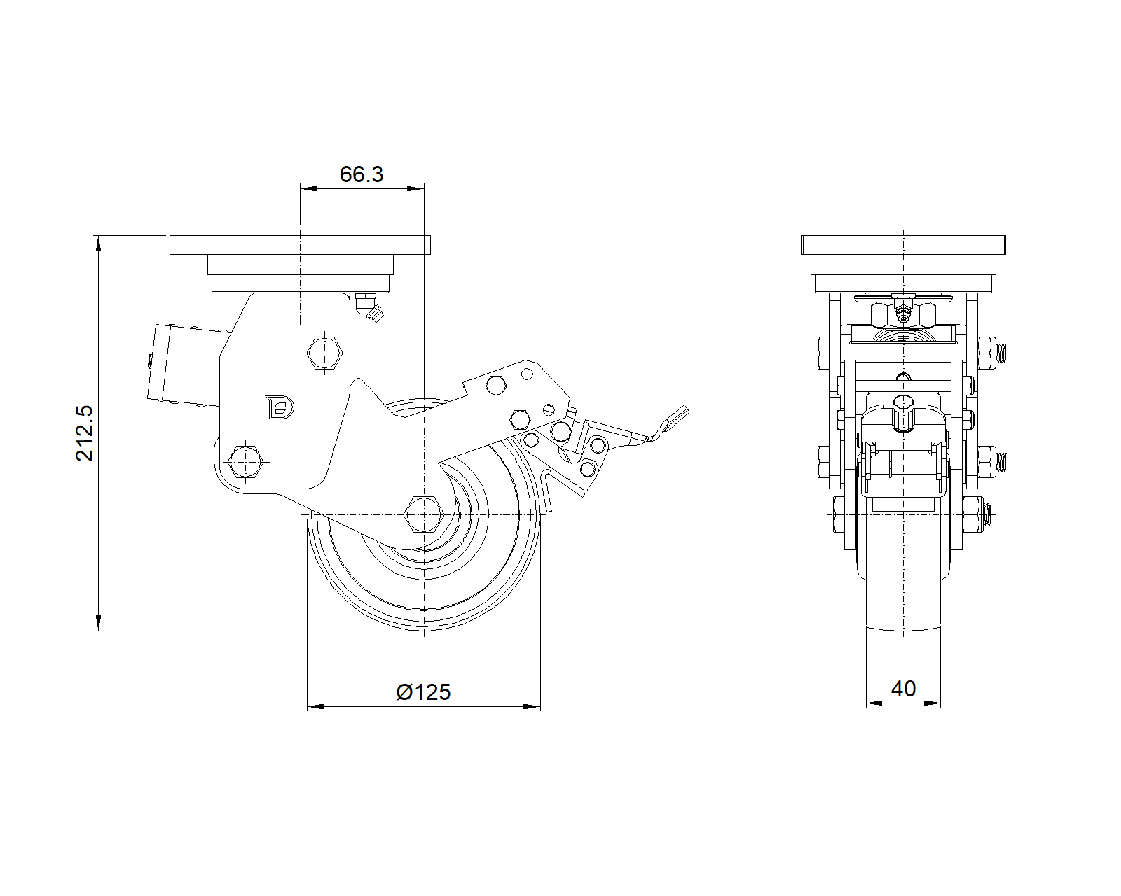
  PU轮(红弧) 轮径 × 轮宽 125 x 40mm
  EAN
      KS-11150500334261
         
配有后煞式,弹簧加载锁定系统的脚轮,焊接钢板架
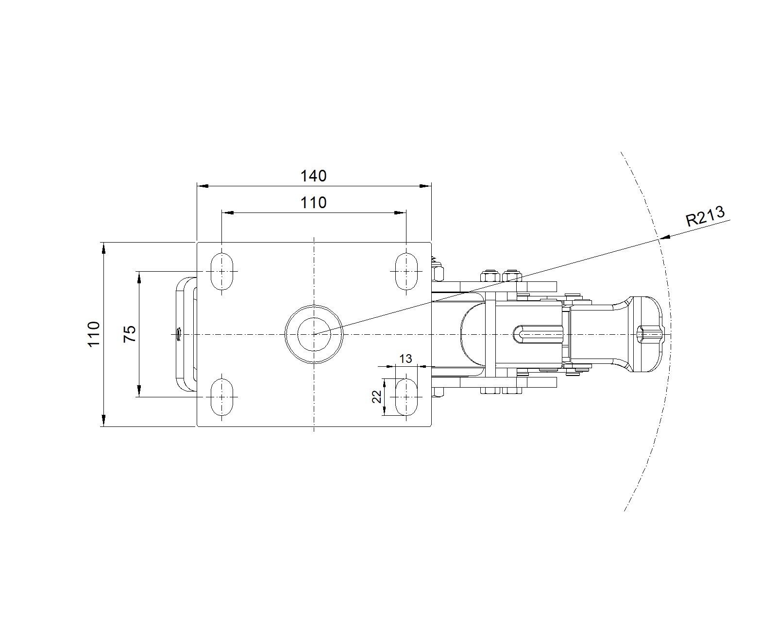
表面喷蓝漆,底板式安装装置,孔距110x75
铸铁制轮芯,高品质聚氨酯轮面,铣红色
轮子轴承—精密滚珠
  轮面:高品质聚氨酯制成
  轮芯:铁芯/铸铁芯

    产品说明仅供参考一切以实体产品为主



     
      公制 英制
  轮径 125mm 

  轮宽 40mm 
  轮子轴承 搭配滚珠轴承的轮子 
  底板规格 140 x 110mm 
  底板孔距 110x75mm   
  底板孔径 2213mm 
  偏心距 66.3mm 
  旋转干涉 426mm 
  总高 212.5mm 
  旋转半径 213mm 
  硬度 92±5° Shore A 
  荷重(动态) 200kgs 


  滚动顺畅
      ● ● ● ○ ○

  静音表现      ● ● ● ● ○

  保护地板      ● ● ● ● ○

  荷重(静态) 300kgs 
  温度 -20°C to +70°C 
  脚架样式 后煞
  不锈钢
  导电 否 
  抗静电 否 
  脚轮重量 6.37kgs 
  测试标准 ISO22883
  
  
  © 版权所有 2026 得貹上好轮 www.dersheng.com
关  联  产  品
1115 弹簧轮系列(常规)
PU轮(红弧) 轮径 × 轮宽 125 x 40mm
KS-11150500332261
125 mm 200 Kgs 212.5 mm
活动式弹簧加载脚轮,焊接钢板架
表面喷蓝漆,底板式安装装置,孔距110x75
铸铁制轮芯,高品质聚氨酯轮面,铣红色
轮子轴承—精密滚珠