產品數據表
1116-SS-MI 儀器不鏽鋼腳輪系列  
  AQPU輪(灰) 輪徑 × 輪寬 75 x 31mm
  EAN
  TW-4111603004071    
         
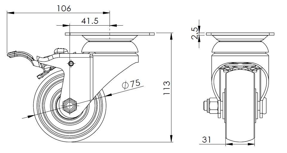
配有雙煞式,鎖定系統的腳輪。底板鉚合沖壓腳架—高級孔 表面振動,底板式安裝裝置 鋁製輪芯,高品質聚氨酯輪面 灰色,輪子軸承—精密滾珠。
  輪面:高品質聚氨酯
  輪芯:鋁芯

    產品說明僅供參考一切以實體產品為主



     
      公制 英制
  輪徑 75mm 

  輪寬 31mm 
  輪子軸承 搭配滾珠軸承的輪子 
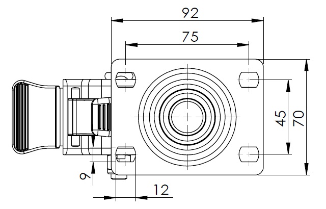
  底板規格 92 x 70mm 
  底板孔距 75 x 45mm   
  底板孔徑 12 x 9mm 
  偏心距 41.5mm 
  旋轉干涉 212mm 
  總高 113mm 
  旋轉半徑 106mm 
  硬度 77±5° Shore A 
  荷重(動態) 125kgs 


  滾動順暢
      ● ● ● ● ●

  靜音表現      ● ● ● ● ●

  保護地板      ● ● ● ● ●

  荷重(靜態) 187.5kgs 
  溫度 -20°C to +70°C 
  腳架樣式 雙煞 
  不銹鋼
  導電 否 
  抗靜電 否 
  腳輪重量 0.75kgs 
  測試標準 ISO22883
  
  
  © 版權所有 2026 得貹上好輪 www.dersheng.com
關  聯  產  品
1116-SS-MI 儀器不鏽鋼腳輪系列  
AQPU輪(灰) 輪徑 × 輪寬 75 x 31mm
TW-4111603001030
75 mm 125 Kgs 112.5 mm
固定式腳輪,一體成型沖壓腳架 —高級孔 表面振動,底板式安裝裝置 鋁製輪芯,高品質聚氨酯輪面 灰色,輪子軸承—精密滾珠。
1116-SS-MI 儀器不鏽鋼腳輪系列  
AQPU輪(灰) 輪徑 × 輪寬 75 x 31mm
TW-4111603002067
75 mm 125 Kgs 113 mm
活動式腳輪,底板鉚合沖壓腳架—高級孔 表面振動,底板式安裝裝置 鋁製輪芯,高品質聚氨酯輪面 灰色,輪子軸承—精密滾珠。