|
|
產品數據表 |
|
|
|
||
| 1116-SS-MI 儀器不鏽鋼腳輪系列 |
|
|
||||
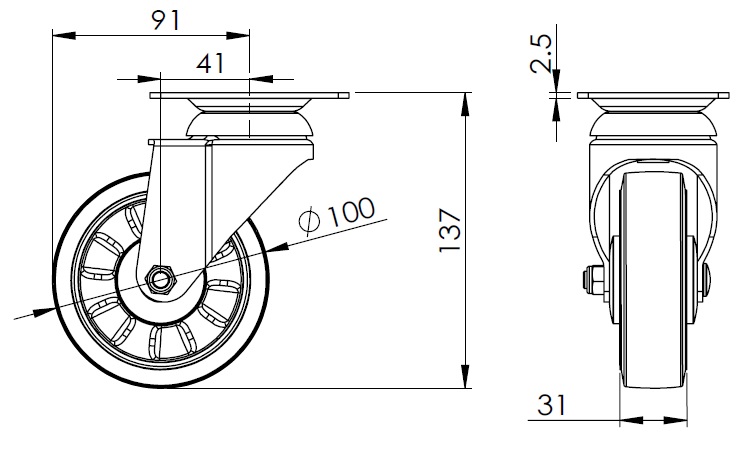
| WMRC輪 輪徑 × 輪寬 100 x 31mm |
|
|
||||
| EAN |
|
|||||
|
TW-4111604002024
|
|
|||||
|
|
|
|||||
| 活動式腳輪,底板鉚合沖壓腳架—儀器孔 表面振動,底板式安裝裝置 加強型熱可塑性塑料輪芯、輪面 白色,輪子軸承—精密滾珠。 |
|
|||||
|
|
|
|||||
| 輪面:熱塑性塑料 輪芯:熱塑性塑料 產品說明僅供參考一切以實體產品為主 |
|
|||||
|
|
|
|||||
公制 英制
輪徑
100mm
輪寬
31mm
|
|
|
||||
|
輪子軸承
搭配滾珠軸承的輪子
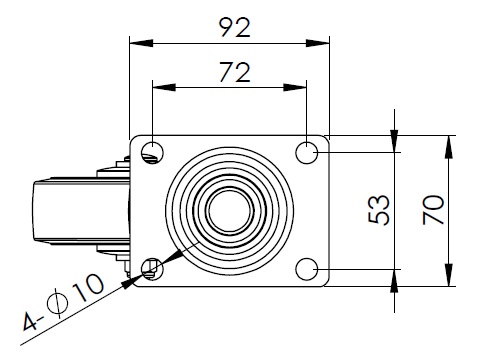
底板規格
92 x 70mm
底板孔距
72 x 53mm
底板孔徑
10mm
偏心距
41mm
旋轉干涉
182mm
總高
137mm
旋轉半徑
91mm
硬度
75±5° Shore D
荷重(動態)
135kgs
|
滾動順暢 ● ● ● ● ● 靜音表現 ● ● ○ ○ ○ 保護地板 ● ● ○ ○ ○ |
|||||
|
荷重(靜態)
202kgs
溫度
-20°C to +80°C
腳架樣式
活動
|
|
|||||
|
不銹鋼
是
導電
否
抗靜電
否
腳輪重量
0.75kgs
測試標準
ISO22883
|
|
|
||||
|
|
|||||
|
|
|||||
|
|
|||||
|
|
|||||
| © 版權所有 2026 得貹上好輪 www.dersheng.com | ||||||