產品數據表
1116-SS-MI 儀器不鏽鋼腳輪系列  
  尼龍輪 輪徑 × 輪寬 100 x 31mm
  EAN
  TW-4111604002050    
         
活動式腳輪,底板鉚合沖壓腳架—高級孔 表面振動,底板式安裝裝置 熱可塑性塑料輪芯、輪面 白色,輪子—中管式。
  輪面:熱塑性塑料
  輪芯:熱塑性塑料

    產品說明僅供參考一切以實體產品為主



     
      公制 英制
  輪徑 100mm 

  輪寬 31mm 
  輪子軸承 搭配中管的輪子 
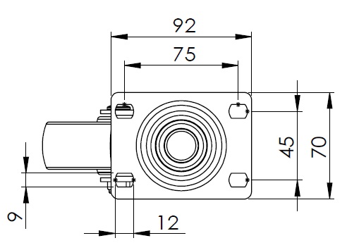
  底板規格 92 x 70mm 
  底板孔距 75 x 45mm 
  底板孔徑 12 x 9mm 
  偏心距 41mm 
  旋轉干涉 182mm 
  總高 137mm 
  旋轉半徑 91mm 
  硬度 75±5° Shore D 
  荷重(動態) 120kgs 


  滾動順暢
      ● ● ● ● ●

  靜音表現      ● ● ○ ○ ○

  保護地板      ● ● ○ ○ ○

  荷重(靜態) 180kgs 
  溫度 -20°C to +80°C 
  腳架樣式 活動 
  不銹鋼
  導電 否 
  抗靜電 否 
  腳輪重量 0.75kgs 
  測試標準 ISO22883
  
  
  © 版權所有 2026 得貹上好輪 www.dersheng.com
關  聯  產  品
1116-SS-MI 儀器不鏽鋼腳輪系列  
尼龍輪 輪徑 × 輪寬 100 x 31mm
TW-4111604004061
100 mm 120 Kgs 136 mm
配有雙煞式,鎖定系統的腳輪。底板鉚合沖壓腳架—高級孔 表面振動,底板式安裝裝置(鋅鋁合金踏板) 熱可塑性塑料輪芯、輪面 輪子—中管式。
1116-SS-MI 儀器不鏽鋼腳輪系列  
尼龍輪 輪徑 × 輪寬 100 x 31mm
TW-4111604001007
100 mm 120 Kgs 137 mm
固定式腳輪,一體成型沖壓腳架 —高級孔 表面振動,底板式安裝裝置 熱可塑性塑料輪芯、輪面 白色,輪子—中管式。