|
|
產品數據表 |
|
|
|
||
| 1116-SS-MJ 日式不銹鋼系列 |
|
|
||||
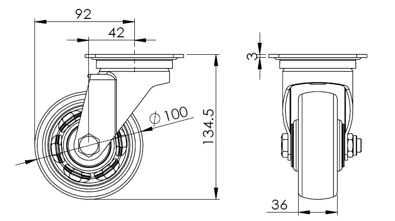
| W全效輪(黑深灰) 輪徑 × 輪寬 100 x 36mm |
|
|
||||
| EAN |
|
|||||
|
TW-4111604002059
|
|
|||||
|
|
|
|||||
| 活動式腳輪,底板鉚合沖壓腳架 表面振動,底板式安裝裝置 耐衝擊聚丙烯輪芯,熱塑性彈性體(TPR)輪面 黑深灰色,輪子軸承—精密滾珠 |
|
|||||
|
|
|
|||||
| 輪面:熱塑性橡膠彈性體(TPR) 輪芯:採用優質耐衝擊聚丙烯 產品說明僅供參考一切以實體產品為主 |
|
|||||
|
|
|
|||||
公制 英制
輪徑
100mm
輪寬
36mm
|
|
|
||||
|
輪子軸承
搭配滾珠軸承的輪子
底板規格
91 x 91mm
底板孔距
70 x 70mm
底板孔徑
13 x 10.5mm
偏心距
41mm
旋轉干涉
182mm
總高
134.5mm
旋轉半徑
91mm
硬度
72±5° Shore A
荷重(動態)
160kgs
|
滾動順暢 ● ● ● ● ● 靜音表現 ● ● ● ● ● 保護地板 ● ● ● ● ● |
|||||
|
荷重(靜態)
240kgs
溫度
-20°C to +60°C
腳架樣式
活動
|
|
|||||
|
不銹鋼
是
導電
否
抗靜電
否
腳輪重量
0.90kgs
測試標準
ISO22883
|
|
|
||||
|
|
|||||
|
|
|||||
|
|
|||||
|
|
|||||
| © 版權所有 2026 得貹上好輪 www.dersheng.com | ||||||