產品數據表
1116-SS-MI 儀器不鏽鋼腳輪系列  
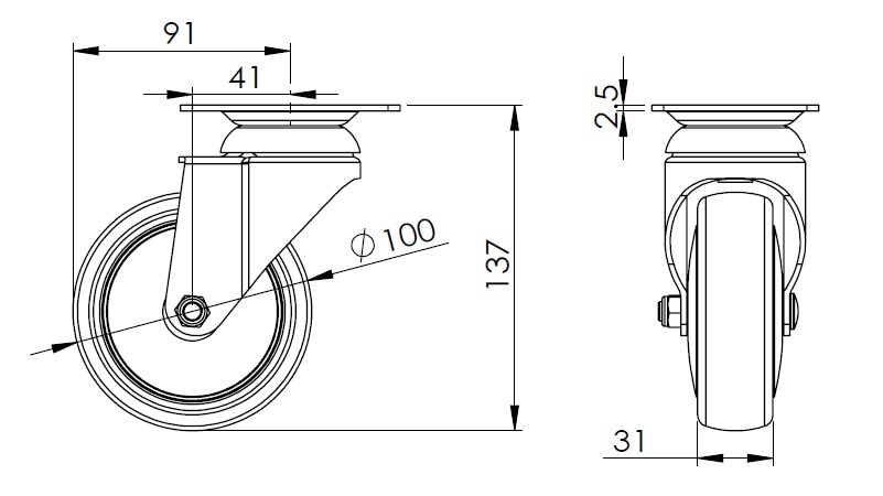
  全效輪(珠光深灰)輪徑 × 輪寬 100×31mm
  EAN
  TW-4111604002076    
         
活動式腳輪,底板鉚合沖壓腳架—儀器孔 表面振動,底板式安裝裝置 耐衝擊聚丙烯輪芯,熱塑性彈性體(TPR)輪面 灰色,輪子—中管式。
  輪面:熱塑性橡膠彈性體(TPR)
  輪芯:採用優質耐衝擊聚丙烯

    產品說明僅供參考一切以實體產品為主



     
      公制 英制
  輪徑 100mm 

  輪寬 31mm 
  輪子軸承 搭配中管的輪子 
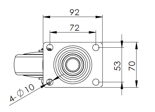
  底板規格 92 x 70mm 
  底板孔距 72 x 53mm   
  底板孔徑 10mm 
  偏心距 41mm 
  旋轉干涉 182mm 
  總高 137mm 
  旋轉半徑 91mm 
  硬度 72±5° Shore A 
  荷重(動態) 125kgs 


  滾動順暢
      ● ● ● ● ●

  靜音表現      ● ● ● ● ●

  保護地板      ● ● ● ● ●

  荷重(靜態) 187.5kgs 
  溫度 -20°C to +60°C 
  腳架樣式 活動 
  不銹鋼
  導電 否 
  抗靜電 否 
  腳輪重量 0.75kgs 
  測試標準 ISO22883
  
  
  © 版權所有 2026 得貹上好輪 www.dersheng.com
關  聯  產  品
1116-SS-MI 儀器不鏽鋼腳輪系列  
全效輪(珠光深灰)輪徑 × 輪寬 100×31mm
TW-4111604001034
100 mm 125 Kgs 137 mm
固定式腳輪,一體成型沖壓腳架 —儀器孔 表面振動,底板式安裝裝置 耐衝擊聚丙烯輪芯,熱塑性彈性體(TPR)輪面 灰色,輪子軸承—精密滾珠。