|
|
產品數據表 |
|
|
|
||
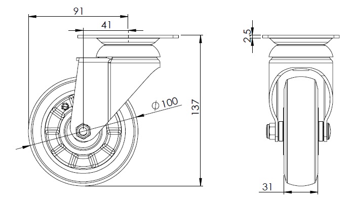
| 1116-SS-MI 儀器不鏽鋼腳輪系列 |
|
|
||||
| 橡膠輪(紅) 輪徑 × 輪寬 100 x 31mm |
|
|
||||
| EAN |
|
|||||
|
TW-4111604002099
|
|
|||||
|
|
|
|||||
| 活動式腳輪,底板鉚合沖壓腳架—儀器孔 表面振動,底板式安裝裝置 鋁製輪芯,高品質的耐高溫橡膠輪面 紅色,輪子軸承—精密滾珠。 |
|
|||||
|
|
|
|||||
| 輪面:高品質的耐高溫橡膠 輪芯:鋁芯 產品說明僅供參考一切以實體產品為主 |
|
|||||
|
|
|
|||||
公制 英制
輪徑
100mm
輪寬
31mm
|
|
|
||||
|
輪子軸承
搭配滾珠軸承的輪子
底板規格
92 x 70mm
底板孔距
72 x 53mm
底板孔徑
10mm
偏心距
41mm
旋轉干涉
182mm
總高
137mm
旋轉半徑
91mm
硬度
85±5° Shore A
荷重(動態)
135kgs
|
滾動順暢 ● ● ● ○ ○ 靜音表現 ● ● ● ● ○ 保護地板 ● ● ● ● ○ |
|||||
|
荷重(靜態)
202.5kgs
溫度
-25°C to +150°C
腳架樣式
活動
|
|
|||||
|
不銹鋼
是
導電
否
抗靜電
否
腳輪重量
0.75kgs
測試標準
ISO22883
|
|
|
||||
|
|
|||||
|
|
|||||
|
|
|||||
|
|
|||||
| © 版權所有 2026 得貹上好輪 www.dersheng.com | ||||||